SLVSE98 July 2017 DRV3201-Q1
PRODUCTION DATA.
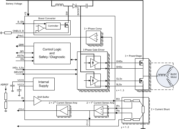
The bridge driver is dedicated to automotive 3 phase brushless DC motor control including safety relevant applications. It provides six dedicated drivers for normal level N-Channel MOSFET transistors. The driver capability is designed to handle gate charges of 250 nC, and the driver source/sink currents are programmable for easy output slope adjustment. The device also incorporates sophisticated diagnosis, protection and monitoring features through an SPI interface. A boost converter with integrated FET provides the overdrive voltage, allowing full control on the power-stages even for low battery voltage down to 4.75 V.
| PART NUMBER | PACKAGE | BODY SIZE (NOM) |
|---|---|---|
| DRV3201-Q1 | HTQFP (64) | 10.00 mm × 10.00 mm |
For related documentation see the following:
To receive notification of documentation updates, navigate to the device product folder on ti.com. In the upper right corner, click on Alert me to register and receive a weekly digest of any product information that has changed. For change details, review the revision history included in any revised document.
The following links connect to TI community resources. Linked contents are provided "AS IS" by the respective contributors. They do not constitute TI specifications and do not necessarily reflect TI's views; see TI's Terms of Use.
PowerPAD, E2E are trademarks of Texas Instruments.
All other trademarks are the property of their respective owners.

These devices have limited built-in ESD protection. The leads should be shorted together or the device placed in conductive foam during storage or handling to prevent electrostatic damage to the MOS gates.
SLYZ022 — TI Glossary.
This glossary lists and explains terms, acronyms, and definitions.