SLAS972B November   2014  â€“ March 2016 AMC7834

PRODUCTION DATA.  

  1. Features
  2. Applications
  3. Description
  4. Revision History
  5. Pin Configuration and Functions
  6. Specifications
    1. 6.1  Absolute Maximum Ratings
    2. 6.2  ESD Ratings
    3. 6.3  Recommended Operating Conditions
    4. 6.4  Thermal Information
    5. 6.5  Electrical Characteristics—DAC Specifications
    6. 6.6  Electrical Characteristics—ADC, Current and Temperature Sensor Specifications
    7. 6.7  Electrical Characteristics—General Specifications
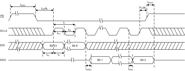
    8. 6.8  Serial Interface Timing Requirements
    9. 6.9  Switching Characteristics—DAC Specifications
    10. 6.10 Switching Characteristics—ADC, Current and Temperature Sensor Specifications
    11. 6.11 Switching Characteristics—General Specifications
    12. 6.12 Typical Characteristics
      1. 6.12.1 Typical Characteristics: DAC
      2. 6.12.2 Typical Characteristics: ADC
      3. 6.12.3 Typical Characteristics: Current Sense
      4. 6.12.4 Typical Characteristics: Temperature Sensor
      5. 6.12.5 Typical Characteristics: Reference
  7. Detailed Description
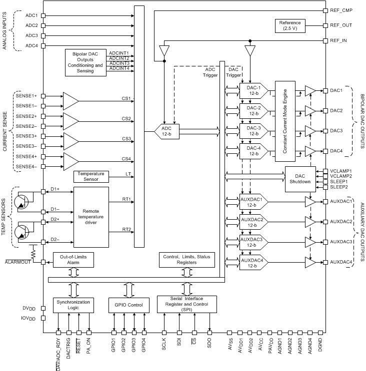
    1. 7.1 Overview
    2. 7.2 Functional Block Diagram
    3. 7.3 Feature Description
      1. 7.3.1 Digital-to-Analog Converters (DACs)
        1. 7.3.1.1 DAC Configuration
          1. 7.3.1.1.1 Bipolar DACs (DAC1, DAC2, DAC3, and DAC4)
          2. 7.3.1.1.2 Auxiliary DACs (AUXDAC1, AUXDAC2, AUXDAC3, and AUXDAC4)
        2. 7.3.1.2 DAC Register Structure
        3. 7.3.1.3 DAC Clamp Operation
      2. 7.3.2 Analog-to-Digital Converter (ADC)
        1. 7.3.2.1 External Analog Inputs
        2. 7.3.2.2 Internal Bipolar DAC Monitoring Inputs
        3. 7.3.2.3 ADC Sequencing
      3. 7.3.3 Temperature Sensors
        1. 7.3.3.1 Internal Temperature Sensor
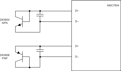
        2. 7.3.3.2 Remote Temperature Sensors
      4. 7.3.4 Current Sensors
      5. 7.3.5 Drain Switch Control
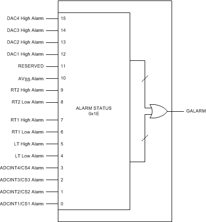
      6. 7.3.6 Programmable Out-of-Range Alarms
        1. 7.3.6.1 ADC Internal Monitoring Input Out-of-Range Alarm
        2. 7.3.6.2 Current-Sense Out-of-Range Alarm
        3. 7.3.6.3 Temperature Sensors Out-of-Range Alarm
        4. 7.3.6.4 Bipolar DACs High Alarm
        5. 7.3.6.5 AVSS Detection Alarm
        6. 7.3.6.6 AVDD Detection Alarm
        7. 7.3.6.7 Hysteresis
        8. 7.3.6.8 False-Alarm Protection
      7. 7.3.7 Reference Specifications
        1. 7.3.7.1 Internal Reference Operation
        2. 7.3.7.2 External Reference Operation
      8. 7.3.8 General Purpose I/Os
    4. 7.4 Device Functional Modes
      1. 7.4.1 Open-Loop Mode
      2. 7.4.2 Closed-Loop Mode
    5. 7.5 Programming
    6. 7.6 Register Maps
      1. 7.6.1  Power Mode: Address 0x02
        1. 7.6.1.1 Power Mode Register (address = 0x02) [reset = 0x000]
      2. 7.6.2  Device Identification: Address 0x04 through 0x0C
        1. 7.6.2.1 Device ID Register (address = 0x04) [reset = 0x0C34]
        2. 7.6.2.2 Version ID Register (address = 0x06) [reset = 0x0001]
        3. 7.6.2.3 Vendor ID Register (address = 0x0C) [reset = 0x0451]
      3. 7.6.3  General Device Configuration: Address 0x10 through 0x16
        1. 7.6.3.1 AMC Configuration 0 Register (address = 0x10) [reset = 0x0300]
        2. 7.6.3.2 AMC Configuration 1 Register (address = 0x11) [reset = 0x036A]
        3. 7.6.3.3 ADC MUX Register (address = 0x12) [reset = 0x0000]
        4. 7.6.3.4 Closed Loop Settling Time Register (address = 0x14) [reset = 0x2222]
        5. 7.6.3.5 DAC Sync Register (address = 0x15) [reset = 0x0000]
        6. 7.6.3.6 DAC Range Register (address = 0x16) [reset = 0x0000]
      4. 7.6.4  Clamp and Alarm Configuration: Address 0x17 through 0x1B
        1. 7.6.4.1 CLAMP Configuration Register (address = 0x17) [reset = 0x003F]
        2. 7.6.4.2 SLEEP1 Configuration Register (address = 0x18) [reset = 0xFF00]
        3. 7.6.4.3 SLEEP2 Configuration Register (address = 0x19) [reset = 0xFF00]
        4. 7.6.4.4 ALARMOUT Clamp Register (address = 0x1A) [reset = 0x0000]
        5. 7.6.4.5 ALARMOUT Configuration Register (address = 0x1B) [reset = 0x0000]
      5. 7.6.5  Conversion Trigger: Address 0x1C
        1. 7.6.5.1 DAC and ADC Trigger Register (address = 0x1C) [reset = 0x0000]
      6. 7.6.6  Reset: Address 0x1D
        1. 7.6.6.1 Software Reset Register (address = 0x1D) [reset = 0x0000]
      7. 7.6.7  Device Status: Address 0x1E and 0x1F
        1. 7.6.7.1 Alarm Status Register (address = 0x1E) [reset = 0x0000]
        2. 7.6.7.2 General Status Register (address = 0x1F) [reset = 0x0000]
      8. 7.6.8  ADC Data: Address 0x20 through 0x2F
        1. 7.6.8.1 ADCn-Internal-Data Register (address = 0x20 to 0x23) [reset = 0x0000]
        2. 7.6.8.2 ADCn-External-Data Register (address = 0x24 to 0x27) [reset = 0x0000]
        3. 7.6.8.3 CSn-Data Register (address = 0x28 to 0x2B) [reset = 0x0000]
        4. 7.6.8.4 LT-Data Register (address = 0x2D) [reset = 0x0000]
        5. 7.6.8.5 RTn-Data Register (address = 0x2E to 0x2F) [reset = 0x0000]
      9. 7.6.9  DAC Data: Address 0x30 through 0x37
        1. 7.6.9.1 DACn-Data Register (address = 0x30 to 0x33) [reset = 0x0000]
        2. 7.6.9.2 AUXDACn-Data Register (address = 0x34 to 0x37) [reset = 0x0000]
      10. 7.6.10 Closed-Loop Control: Address 0x38 through 0x3B
        1. 7.6.10.1 ClosedLoopn Register (address = 0x38 to 0x3B) [reset = 0x0000]
      11. 7.6.11 Alarm Threshold Configuration: Address 0x40 through 0x4F
        1. 7.6.11.1 ADCINTn/CSn-Upper-Threshold Register (address = 0x40, 0x42, 0x44 and 0x46) [reset = 0x0FFF]
        2. 7.6.11.2 ADCINTn/CSn-Lower-Threshold Register (address = 0x41, 0x43, 0x45 and 0x47) [reset = 0x0000]
        3. 7.6.11.3 TS-Upper-Threshold Register (address = 0x48, 0x4A and 0x4C) [reset = 0x07FF]
        4. 7.6.11.4 TS-Lower-Threshold Register (address = 0x49, 0x4B and 0x4D) [reset = 0x0800]
        5. 7.6.11.5 DACnn-Upper-Threshold Register (address = 0x4E and 0x4F) [reset = 0x0FFF]
      12. 7.6.12 Alarm Hysteresis Configuration: Address 0x50 and 0x56
        1. 7.6.12.1 ADCINTn/CSn-Hysteresis Register (address = 0x50 to 0x53) [reset = 0x0008]
        2. 7.6.12.2 LT-Hysteresis Register (address = 0x54) [reset = 0x0008]
        3. 7.6.12.3 RTn-Hysteresis Register (address = 0x55 to 0x56) [reset = 0x0008]
      13. 7.6.13 GPIO: Address 0x58
        1. 7.6.13.1 GPIO Register (address = 0x58) [reset = 0x000F]
  8. Application and Implementation
    1. 8.1 Application Information
    2. 8.2 Typical Application
      1. 8.2.1 Design Requirements
      2. 8.2.2 Detailed Design Procedure
        1. 8.2.2.1 ADC Input Conditioning
        2. 8.2.2.2 DAC Output Range Selection
        3. 8.2.2.3 Temperature Sensing Applications
        4. 8.2.2.4 Current Sensing Applications
      3. 8.2.3 Application Performance Curve
    3. 8.3 Initialization Set Up
      1. 8.3.1 Initialization Procedure
  9. Power Supply Recommendations
  10. 10Layout
    1. 10.1 Layout Guidelines
    2. 10.2 Layout Example
  11. 11Device and Documentation Support
    1. 11.1 Documentation Support
      1. 11.1.1 Related Documentation
    2. 11.2 Community Resources
    3. 11.3 Trademarks
    4. 11.4 Electrostatic Discharge Caution
    5. 11.5 Glossary
  12. 12Mechanical, Packaging, and Orderable Information

Package Options

Mechanical Data (Package|Pins)
Thermal pad, mechanical data (Package|Pins)
Orderable Information

1 Features

  • Eight Monotonic 12-bit DACs With Programmable Ranges
    • Four Bipolar DACs:
      –4 to 1 V, –5 to 0 V, and 0 to 5 V
    • Four Unipolar DACs:
      0 to 5 V, and 2.5 to 7.5 V
    • High Current Drive Capability: up to ±10 mA
    • Selectable Clamp Voltage
  • Multi-Channel 12-bit SAR ADC
    • Four External Analog Inputs: 0 to 2.5 V Range
    • Four Internal Inputs for Bipolar DAC Monitoring
    • Programmable Out-of-Range Alarms
  • Four High-Side Current-Sense Amplifiers
    • Common Mode Voltages: 4 to 60 V
    • Optional Closed-Loop Drain-Current Controller Operation
  • Temperature Sensing Capabilities
    • Internal Temperature Sensor
    • Two Remote Temperature-Diode Drivers
  • Internal 2.5 V Reference
  • Four General-Purpose I/O Ports (GPIOs)
  • Low-Power SPI-Compatible Serial Interface
    • 4-Wire Mode, 1.7 to 3.6 V Operation
  • Operating Temperature Range: –40°C to +125°C
  • Available in a 56-Pin VQFN Package

2 Applications

  • Communications Infrastructure:
    • Cellular Base Stations
    • Microwave Backhaul
    • Optical Networks
  • General-Purpose Monitor and Control
  • Data Acquisition Systems

3 Description

The AMC7834 device is a highly-integrated, low-power, analog monitoring and control solution for power-amplifier (PA) biasing capable of temperature, current and voltage supervision.

The device integrates a multi-channel, 12-bit analog-to-digital converter (ADC); eight, 12-bit digital-to-analog converters (DAC); four high-side current-sense amplifiers that can be optionally set to operate as part of four independent closed-loop drain-current controllers; an accurate on-chip temperature sensor and two remote temperature-sensor diode drivers; four configurable general-purpose I/O ports (GPIOs); and an accurate internal reference. The high level of integration significantly reduces component count and simplifies PA-biasing system designs.

The function integration and wide operating-temperature range of the device make it suitable as an all-in-one, low-cost, bias control-circuit for PAs found in multi-channel RF communication systems. The flexible DAC output ranges and wide common mode voltage current sensors allow the device to be used as a biasing solution for a large variety of transistor technologies such as LDMOS, GaAs, and GaN. The AMC7834 feature set is similarly beneficial in general-purpose monitor and control systems.

For applications that require a different channel-count, additional features, or converter resolutions, Texas Instruments offers a complete family of analog monitor and control (AMC) products. For more information, go to www.ti.com/amc.

Device Information(1)

PART NUMBER PACKAGE BODY SIZE (NOM)
AMC7834 VQFN (56) 8.00 mm × 8.00 mm
  1. For all available packages, see the orderable addendum at the end of the datasheet.
AMC7834 alt_slas972.gif

4 Revision History

Changes from A Revision (April 2015) to B Revision

Changes from * Revision (November 2014) to A Revision

  • Release full version production data data sheet Go