ZHCS541M September   2008  – November 2014 LM22672 , LM22672-Q1

PRODUCTION DATA.  

  1. 特性
  2. 应用
  3. 说明
  4. 修订历史记录
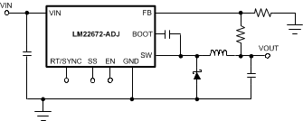
  5. Pin Configuration and Functions
  6. Specifications
    1. 6.1 Absolute Maximum Ratings
    2. 6.2 Handling Ratings: LM22672
    3. 6.3 Handling Ratings: LM22672-Q1
    4. 6.4 Recommended Operating Conditions
    5. 6.5 Thermal Information
    6. 6.6 Electrical Characteristics
    7. 6.7 Typical Characteristics
  7. Detailed Description
    1. 7.1 Overview
    2. 7.2 Functional Block Diagram
    3. 7.3 Feature Description
      1. 7.3.1 Precision Enable and UVLO
      2. 7.3.2 Soft-Start
      3. 7.3.3 Switching Frequency Adjustment and Synchronization
      4. 7.3.4 Self-Synchronization
      5. 7.3.5 Boot-Strap Supply
      6. 7.3.6 Internal Loop Compensation
    4. 7.4 Device Functional Mode
      1. 7.4.1 Current Limit
      2. 7.4.2 Thermal Protection
      3. 7.4.3 Duty-Cycle Limits
  8. Application and Implementation
    1. 8.1 Application Information
      1. 8.1.1 Output Voltage Divider Selection
      2. 8.1.2 Power Diode
    2. 8.2 Typical Application
      1. 8.2.1 Typical Buck Regulator Application
        1. 8.2.1.1 Design Requirements
        2. 8.2.1.2 Detailed Design Procedure
          1. 8.2.1.2.1 External Components
            1. 8.2.1.2.1.1 Inductor
            2. 8.2.1.2.1.2 Input Capacitor
            3. 8.2.1.2.1.3 Output Capacitor
            4. 8.2.1.2.1.4 Boot-strap Capacitor
        3. 8.2.1.3 Application Curves
  9. Power Supply Recommendations
  10. 10Layout
    1. 10.1 Layout Guidelines
    2. 10.2 Layout Example
    3. 10.3 Thermal Considerations
  11. 11器件和文档支持
    1. 11.1 文档支持
      1. 11.1.1 相关文档 
    2. 11.2 相关链接
    3. 11.3 商标
    4. 11.4 静电放电警告
    5. 11.5 术语表
  12. 12机械、封装和可订购信息

封装选项

机械数据 (封装 | 引脚)
散热焊盘机械数据 (封装 | 引脚)
订购信息

1 特性

  • 宽输入电压范围:4.5V 至 42V
  • 内部补偿电压模式控制
  • 在使用低等效串联电阻 (ESR) 陶瓷电容器时保持稳定
  • 200mΩ N 通道金属氧化物半导体场效应晶体管 (MOSFET)
  • 输出电压选项:
    -ADJ(输出电压最低为 1.285V)
    -5.0(输出电压固定为 5V)
  • ±1.5% 反馈基准精度
  • 缺省开关频率为 500kHz
  • 可调开关频率和同步
  • 结温范围为 -40°C 至 125°C
  • 精密使能引脚
  • 集成引导加载二极管
  • 可调节软启动
  • 完全 WEBENCH® 启用
  • LM22672-Q1 是一款汽车级产品,
    符合 AEC-Q100 1 级标准(运行结温范围为 –40°C 至 +125°C)
  • 小外形尺寸 (SO) PowerPAD(外露垫)

2 应用

  • 工业控制
  • 电信和数通系统
  • 嵌入式系统
  • 转换自 24V、12V 和 5V 标准输入电源轨

简化应用电路原理图

LM22672 LM22672-Q1 30076701.gif

3 说明

LM22672 开关稳压器使用最少的外部组件来提供执行高效高压降压稳压器所需的全部功能。 这款稳压器易于使用,且集成了一个 42V N 沟道金属氧化物半导体场效应晶体管 (MOSFET) 开关,可提供高达 1A 的负载电流。 并且特有出色的线路和负载调节以及高效率 (> 90%)。 电压模式控制提供较短的最小接通时间,从而实现了输入和输出电压间的最宽比率。 内部环路补偿意味着用户无需承担计算环路补偿组件的枯燥工作。 这款稳压器提供 5V 固定输出和可调输出电压两种选项。

默认开关频率设为 500kHz,这样便可以使用小型外部组件并且能够提供良好的瞬态响应。 此外,还可以使用单个外部电阻在 200kHz 至 1MHz 的范围内对频率进行调节。 内部振荡器可同步至一个系统时钟或其它稳压器的振荡器。 精密使能输入可简化稳压器控制和系统电源排序。 在关断模式下,稳压器流耗仅为 25μA(典型值)。 通过选择一个单个外部电容器可提供一个可调软启动特性。 LM22672 还有内置热关断和电流限制以保护器件不受意外过载的影响。

LM22672 器件是德州仪器 (TI) 的成员 SIMPLE SWITCHER® 系列产品。 SIMPLE SWITCHER® 概念使用最少量的外部组件和德州仪器 (TI) WEBENCH® 设计工具提供了一套易于使用的完整设计。 为了简化设计,TI 的 WEBENCH® 工具包含诸如外部组件计算、电气模拟、散热模拟以及内置电路板等特性。

器件信息(1)

器件型号 封装 封装尺寸(标称值)
LM22672,
LM22672-Q1
HSOP (8) 4.89mm x 3.90mm
  1. 要了解所有可用封装,请见数据表末尾的可订购产品附录。

4 修订历史记录

Changes from L Revision (April 2013) to M Revision

  • Added 引脚配置和功能部分,处理额定值表,特性描述部分,器件功能模式应用和实施部分,电源相关建议部分,布局部分,器件和文档支持部分以及机械、封装和可订购信息部分Go

Changes from K Revision (April 2013) to L Revision

  • Changed 国家格式至 TI 格式Go