ZHCSE93 September   2015 OPA2171-EP

PRODUCTION DATA.  

  1. 特性
  2. 应用范围
  3. 说明
  4. 修订历史记录
  5. Pin Configuration and Functions
  6. Specifications
    1. 6.1 Absolute Maximum Ratings
    2. 6.2 ESD Ratings
    3. 6.3 Recommended Operating Conditions
    4. 6.4 Thermal Information
    5. 6.5 Electrical Characteristics
    6. 6.6 Typical Characteristics
  7. Detailed Description
    1. 7.1 Overview
    2. 7.2 Functional Block Diagram
    3. 7.3 Feature Description
      1. 7.3.1 Operating Characteristics
      2. 7.3.2 Phase-Reversal Protection
    4. 7.4 Device Functional Modes
      1. 7.4.1 Common-Mode Voltage Range
  8. Application and Implementation
    1. 8.1 Application Information
      1. 8.1.1 Electrical Overstress
    2. 8.2 Typical Application
      1. 8.2.1 Design Requirements
      2. 8.2.2 Detailed Design Procedure
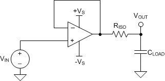
        1. 8.2.2.1 Capacitive Load and Stability
      3. 8.2.3 Application Curve
  9. Power Supply Recommendations
  10. 10Layout
    1. 10.1 Layout Guidelines
    2. 10.2 Layout Example
  11. 11器件和文档支持
    1. 11.1 社区资源
    2. 11.2 商标
    3. 11.3 静电放电警告
    4. 11.4 Glossary
  12. 12机械、封装和可订购信息

封装选项

机械数据 (封装 | 引脚)
散热焊盘机械数据 (封装 | 引脚)
订购信息

1 特性

  • 电源电压范围:2.7V 至 36V,±1.35V 至 ±18V
  • 低噪声:14nV/√Hz
  • 低偏移漂移:0.3µV/°C(典型值)
  • 已过滤的射频干扰 (RFI) 输入
  • 输入范围包括负电源
  • 输入范围运行至正电源
  • 轨至轨输出
  • 增益带宽:3MHz
  • 低静态电流:每个放大器 475µA
  • 高共模抑制:120dB(典型值)
  • 低输入偏置电流:8pA
  • 微型封装:VSSOP-8 双列封装
  • 支持国防、航天和医疗应用:
    • 可控基线
    • 一个组装/测试场所
    • 一个制造场所
    • 在扩展(-55°C 至 125°C)温度范围内可用
    • 延长的产品生命周期
    • 延长产品的变更通知周期
    • 产品可追溯性
  • 具有 RISO 稳定性补偿的单位增益缓冲器

    OPA2171-EP ai_refdes_blockdia_bos618.gif

2 应用范围

  • 电源模块内的跟踪放大器
  • 商用电源
  • 变频器放大器
  • 桥式放大器
  • 温度测量
  • 应力计放大器
  • 精密积分器
  • 电池供电仪器
  • 测试设备

3 说明

OPA2171-EP 是一款 36V 单电源低噪声运算放大器,能够在 2.7V (±1.35V) 至 36V (±18V) 的电源电压范围内运行。 这个器件采用微型封装并且在保证低静态电流的情况下提供低偏移、漂移和带宽。 单通道、双通道和四通道版本均具有相同的技术规格,可最大程度地提高设计灵活性。

大多数运算放大器仅有一个指定的电源电压,OPAx2171-EP 则有所不同,其可在 2.7V 至 36V 的电压范围内额定运行。超过电源轨的输入信号不会导致相位反向。 OPA2171-EP 在电容负载高达 300pF 时可保持稳定。 输入可在负电源轨以下 100mV 以及正电源轨 2V 之内正常运行。 请注意这些器件可在正电源轨之上 100mV 的满轨到轨输入上运行,但是在正电源轨 2V 之内运行时性能会受到影响。

OPA2171-EP 运算放大器额定工作温度范围为 –55°C 至 125°C。

器件信息(1)

器件型号 封装 封装尺寸(标称值)
OPA2171-EP 超薄小外形尺寸封装 (VSSOP)(8) 2.30mm x 2.00mm
  1. 要了解所有可用封装,请见数据表末尾的可订购产品附录。

4 修订历史记录

日期 修订版本 注释
2015 年 9 月 * 最初发布版本。