ZHCS861B April 2012 – June 2015 PGA450-Q1
PRODUCTION DATA.
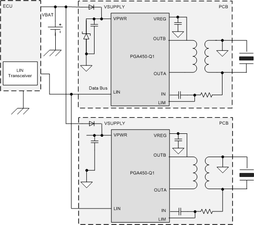
PGA450-Q1 是一款针对停车辅助系统或物体检测应用中的超声波传感器的全集成接口器件。 该器件包括以下系统模块:稳压器、12 位逐次逼近寄存器 (SAR) 模数转换器 (ADC)、8 位微控制器、数字带通滤波器、数模转换器 (DAC)、双通道 NMOS 低侧驱动器、低噪声放大器、振荡器、LIN 2.1 物理接口及相关协议。
PGA450-Q1 配有 8 位微控制器和 OTP 程序存储器,用于处理回声信号以及计算传感器与物体间的距离。 这个数据通过 LIN 2.1 通信协议传送。 LIN 2.1 物理层只作为从器件并且不执行 LIN 唤醒特性。 所有其他 LIN 2.1 功能均可在软件中实现。
| 器件型号 | 封装 | 封装尺寸(标称值) |
|---|---|---|
| PGA450-Q1 | TSSOP (28) | 9.70mm x 4.40mm |
