SLPS288E March   2011  – February 2017 CSD87350Q5D

PRODUCTION DATA.  

  1. 1Features
  2. 2Applications
  3. 3Description
  4. 4Revision History
  5. 5Specifications
    1. 5.1 Absolute Maximum Ratings
    2. 5.2 Recommended Operating Conditions
    3. 5.3 Thermal Information
    4. 5.4 Power Block Performance
    5. 5.5 Electrical Characteristics
    6. 5.6 Typical Power Block Device Characteristics
    7. 5.7 Typical Power Block MOSFET Characteristics
  6. 6Application and Implementation
    1. 6.1 Application Information
      1. 6.1.1 Equivalent System Performance
      2. 6.1.2 Power Loss Curves
      3. 6.1.3 Safe Operating Area (SOA) Curves
      4. 6.1.4 Normalized Curves
    2. 6.2 Typical Application
      1. 6.2.1 Design Example: Calculating Power Loss and SOA
      2. 6.2.2 Operating Conditions
        1. 6.2.2.1 Calculating Power Loss
        2. 6.2.2.2 Calculating SOA Adjustments
  7. 7Layout
    1. 7.1 Layout Guidelines
      1. 7.1.1 Electrical Performance
      2. 7.1.2 Thermal Considerations
    2. 7.2 Layout Example
  8. 8Device and Documentation Support
    1. 8.1 Documentation Support
      1. 8.1.1 Related Documentation
    2. 8.2 Receiving Notification of Documentation Updates
    3. 8.3 Community Resources
    4. 8.4 Trademarks
    5. 8.5 Electrostatic Discharge Caution
    6. 8.6 Glossary
  9. 9Mechanical, Packaging, and Orderable Information
    1. 9.1 Q5D Package Dimensions
    2. 9.2 Land Pattern Recommendation
    3. 9.3 Stencil Recommendation
    4. 9.4 Q5D Tape and Reel Information

Package Options

Mechanical Data (Package|Pins)
Thermal pad, mechanical data (Package|Pins)
Orderable Information

Features

  • Half-Bridge Power Block
  • 90% system Efficiency at 25 A
  • Up to 40-A Operation
  • High-Frequency Operation (Up to 1.5 MHz)
  • High-Density SON 5-mm × 6-mm Footprint
  • Optimized for 5-V Gate Drive
  • Low-Switching Losses
  • Ultra-Low-Inductance Package
  • RoHS Compliant
  • Halogen Free
  • Lead-Free Terminal Plating

Applications

  • Synchronous Buck Converters
    • High-Frequency Applications
    • High-Current, Low-Duty Cycle Applications
  • Multiphase Synchronous Buck Converters
  • POL DC-DC Converters
  • IMVP, VRM, and VRD Applications

Description

The CSD87350Q5D NexFET™ power block is an optimized design for synchronous buck applications offering high-current, high-efficiency, and high-frequency capability in a small 5-mm × 6-mm outline. Optimized for 5-V gate drive applications, this product offers a flexible solution capable of offering a high-density power supply when paired with any 5-V gate drive from an external controller or driver.

Top View

CSD87350Q5D P0116-01_LPS223.gif

Device Information(1)

DEVICE MEDIA QTY PACKAGE SHIP
CSD87350Q5D 13-Inch Reel 2500 SON
5-mm × 6-mm
Plastic Package
Tape and Reel
  1. For all available packages, see the orderable addendum at the end of the data sheet.

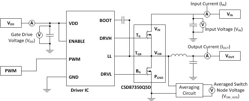
Typical Circuit

CSD87350Q5D SLPS288D_Front_Page.gif

Typical Power Block Efficiency and Power Loss

CSD87350Q5D D001_SLPS288.gif