SLPS384D March 2013 – April 2015 CSD87588N
PRODUCTION DATA.
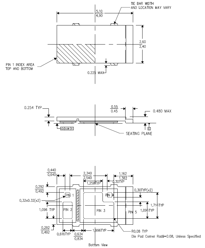
The CSD87588N NexFET™ power block II is a highly-optimized design for synchronous buck applications offering high current and high efficiency capability in a small 5 mm × 2.5 mm outline. Optimized for 5 V gate drive applications, this product offers an efficient and flexible solution capable of providing a high density power supply when paired with any 5 V gate driver from an external controller/driver.
| Device | Media | Qty | Package | Ship |
|---|---|---|---|---|
| CSD87588N | 13-Inch Reel | 2500 | 5 x 2.5 LGA | Tape and Reel |
| CSD87588NT | 7-Inch Reel | 250 |

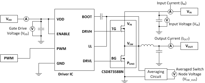
Typical Circuit![]() |
Typical Power Block Efficiency and Power Loss![]() |