SBAS646A November   2018  – August 2020 DRV5057

PRODUCTION DATA  

  1. Features
  2. Applications
  3. Description
  4. Revision History
  5. Pin Configuration and Functions
    1.     Pin Functions
  6. Specifications
    1. 6.1 Absolute Maximum Ratings
    2. 6.2 ESD Ratings
    3. 6.3 Recommended Operating Conditions
    4. 6.4 Thermal Information
    5. 6.5 Electrical Characteristics
    6. 6.6 Magnetic Characteristics
    7. 6.7 Typical Characteristics
  7. Detailed Description
    1. 7.1 Overview
    2. 7.2 Functional Block Diagram
    3. 7.3 Feature Description
      1. 7.3.1 Magnetic Flux Direction
      2. 7.3.2 Sensitivity Linearity
      3. 7.3.3 Operating VCC Ranges
      4. 7.3.4 Sensitivity Temperature Compensation for Magnets
      5. 7.3.5 Power-On Time
      6. 7.3.6 Hall Element Location
    4. 7.4 Device Functional Modes
  8. Application and Implementation
    1. 8.1 Application Information
      1. 8.1.1 Selecting the Sensitivity Option
      2. 8.1.2 Decoding a PWM
        1. 8.1.2.1 Decoding a PWM (Digital)
          1. 8.1.2.1.1 Capture and Compare Timer Interrupt
          2. 8.1.2.1.2 Oversampling and Counting With a Timer Interrupt
          3. 8.1.2.1.3 Accuracy and Resolution
        2. 8.1.2.2 Decoding a PWM (Analog)
    2. 8.2 Typical Applications
      1. 8.2.1 Full-Swing Orientation Example
        1. 8.2.1.1 Design Requirements
        2. 8.2.1.2 Detailed Design Procedure
        3. 8.2.1.3 Application Curve
      2. 8.2.2 Half-Swing Orientation Example
        1. 8.2.2.1 Design Requirements
        2. 8.2.2.2 Detailed Design Procedure
    3. 8.3 What to Do and What Not to Do
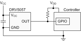
  9. Power Supply Recommendations
  10. 10Layout
    1. 10.1 Layout Guidelines
    2. 10.2 Layout Examples
  11. 11Device and Documentation Support
    1. 11.1 Documentation Support
      1. 11.1.1 Related Documentation
    2. 11.2 Receiving Notification of Documentation Updates
    3. 11.3 Support Resources
    4. 11.4 Trademarks
    5. 11.5 Electrostatic Discharge Caution
    6. 11.6 Glossary
  12. 12Mechanical, Packaging, and Orderable Information

Package Options

Mechanical Data (Package|Pins)
Thermal pad, mechanical data (Package|Pins)
Orderable Information

Features

  • PWM-output linear Hall effect magnetic sensor
  • Operates from 3.3-V and 5-V power supplies
  • 2-kHz clock output with 50% quiescent duty cycle
  • Magnetic sensitivity options (at VCC = 5 V):
    • A1/Z1: 2%D/mT, ±21-mT range
    • A2/Z2: 1%D/mT, ±42-mT range
    • A3/Z3: 0.5%D/mT, ±84-mT range
    • A4/Z4: 0.25%D/mT, ±168-mT range
  • Open-drain output with 20-mA sink capability
  • Compensation for magnet temperature drift for A1/A2/A3/A4 Versions and None for Z1/Z2/Z3/Z4 Versions
  • Industry standard package:
    • Surface-mount SOT-23
    • Through-hole TO-92