SBOS631B June   2012  – November 2017 INA827

PRODUCTION DATA.  

  1. Features
  2. Applications
  3. Description
  4. Revision History
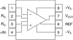
  5. Pin Configuration and Functions
  6. Specifications
    1. 6.1 Absolute Maximum Ratings
    2. 6.2 ESD Ratings
    3. 6.3 Recommended Operating Conditions
    4. 6.4 Thermal Information
    5. 6.5 Electrical Characteristics
  7. Typical Characteristics
  8. Detailed Description
    1. 8.1 Overview
    2. 8.2 Functional Block Diagram
    3. 8.3 Feature Description
      1. 8.3.1  Setting the Gain
        1. 8.3.1.1 Gain Drift
      2. 8.3.2  Offset Trimming
      3. 8.3.3  Input Common-Mode Range
      4. 8.3.4  Inside the INA827
      5. 8.3.5  Input Protection
      6. 8.3.6  Input Bias Current Return Path
      7. 8.3.7  Reference Pin
      8. 8.3.8  Dynamic Performance
      9. 8.3.9  Operating Voltage
        1. 8.3.9.1 Low-Voltage Operation
      10. 8.3.10 Error Sources
    4. 8.4 Device Functional Modes
  9. Application and Implementation
    1. 9.1 Application Information
    2. 9.2 Typical Application
      1. 9.2.1 Design Requirements
      2. 9.2.2 Detailed Design Procedure
      3. 9.2.3 Application Curves
  10. 10Power Supply Recommendations
  11. 11Layout
    1. 11.1 Layout Guidelines
      1. 11.1.1 CMRR vs Frequency
    2. 11.2 Layout Example
  12. 12Device and Documentation Support
    1. 12.1 Documentation Support
      1. 12.1.1 Related Documentation
    2. 12.2 Receiving Notification of Documentation Updates
    3. 12.3 Community Resources
    4. 12.4 Trademarks
    5. 12.5 Electrostatic Discharge Caution
    6. 12.6 Glossary
  13. 13Mechanical, Packaging, and Orderable Information

Package Options

Mechanical Data (Package|Pins)
Thermal pad, mechanical data (Package|Pins)
Orderable Information

Features

  • Eliminates Errors from External Resistors at Gain of 5
  • Common-Mode Range Goes Below
    Negative Supply
  • Input Protection: Up to ±40 V
  • Rail-to-Rail Output
  • Outstanding Precision:
    • Common-Mode Rejection: 88 dB, minimum
    • Low Offset Voltage: 150 µV, maximum
    • Low Drift: 2.5 µV/°C, maximum
    • Low Gain Drift: 1 ppm/°C, max (G = 5 V/V)
    • Power-Supply Rejection:
      100 dB, min (G = 5)
    • Noise: 17 nV/√Hz, G = 1000 V/V
  • High Bandwidth:
    • G = 5: 600 kHz
    • G = 100: 150 kHz
  • Supply Current: 200 µA, typical
  • Supply Range:
    • Single Supply: 3 V to 36 V
    • Dual Supply: ±1.5 V to ±18 V
  • Specified Temperature Range:
    –40°C to +125°C
  • Package: 8-pin VSSOP

Applications

  • Industrial Process Controls
  • Multichannel Systems
  • Power Automation
  • Weigh Scales
  • Medical Instrumentation
  • Data Acquisition

Description

The INA827 is a low-cost instrumentation amplifier (INA) that offers extremely low power consumption and operates over a very wide single- or dual-supply range. The device is optimized for the lowest possible gain drift of only 1 ppm per degree Celsius in G = 5, which requires no external resistor. However, a single external resistor sets any gain from 5 to 1000.

The INA827 is optimized to provide excellent common-mode rejection ratio (CMRR) of over 88 dB (G = 5) over frequencies up to 5 kHz. In G = 5, CMRR exceeds 88 dB across the full input common-mode range from the negative supply all the way up to 1 V of the positive supply. Using a rail-to-rail output, the INA827 is well-suited for low-voltage operation from a 3-V singlesupply as well as dual supplies up to ±18 V. Additional circuitry protects the inputs against overvoltage of up to ±40 V beyond the power supplies by limiting the input currents to a save level.

The INA827 is available in a small VSSOP-8 package and is specified for the –40°C to +125°C temperature range. For a similar instrumentation amplifier with a gain range of 1 V/V to 1000 V/V, see the INA826.

Device Information(1)

PART NUMBER PACKAGE BODY SIZE (NOM)
INA827 VSSOP (8) 3.00 mm × 3.00 mm
  1. For all available packages, see the orderable addendum at the end of the data sheet.

Simplified Schematic

INA827 alt_sbos631.gif

Revision History

Changes from A Revision (July 2013) to B Revision

  • Added Device Information table, ESD Ratings table, Recommended Operating Conditions table, Overview section, Functional Block Diagram section, Feature Description section, Device Functional Modes section, Application and Implementation section, Power Supply Recommendations section, Layout section, Device and Documentation Support section, and Mechanical, Packaging, and Orderable Information section Go
  • Deleted device graphic from top of page 1Go
  • Changed Features section: changed sub-bullets of Supply Range bullet Go
  • Changed MSOP to VSSOP throughout document Go
  • Changed single supply value in first paragraph of Description section Go
  • Added Simplified Schematic titleGo
  • Deleted Package and Ordering Information tableGo
  • Changed Pin Configuration and Functionssection: changed section title, changed Pin Functions title, added I/O columnGo
  • Changed test conditions of Input, PSRR and VCM parameters in Electrical Characteristics table Go
  • Changed minimum specifications of Power Supply, VS parameter in Electrical Characteristics table Go
  • Changed Typical Characteristics section: moved conditions from title to conditions line under curveGo
  • Changed conditions of Figure 7 and Figure 8Go
  • Changed conditions of Figure 37 and Figure 38Go
  • Changed power-supply range in Operating Voltage section Go
  • Changed power supply low level in Low-Voltage Operation section Go
  • Added Design Requirements, Detailed Design Procedure, and Application Curves to the Typical Application sectionGo

Changes from * Revision (June 2012) to A Revision