JAJS673J November   1999  – May 2016 DS90CF366 , DS90CF386

PRODUCTION DATA.  

  1. 特長
  2. アプリケーション
  3. 概要
  4. 改訂履歴
  5. Pin Configuration and Functions
  6. Specifications
    1. 6.1 Absolute Maximum Ratings
    2. 6.2 ESD Ratings
    3. 6.3 Recommended Operating Conditions
    4. 6.4 Thermal Information
    5. 6.5 Electrical Characteristics
    6. 6.6 Switching Characteristics
    7. 6.7 Timing Diagrams
    8. 6.8 Typical Characteristics
  7. Detailed Description
    1. 7.1 Overview
    2. 7.2 Functional Block Diagrams
    3. 7.3 Feature Description
      1. 7.3.1 LVDS Receivers
        1. 7.3.1.1 LVDS Input Termination
      2. 7.3.2 Phase Locked Loop (PLL)
      3. 7.3.3 Serial LVDS-to-Parallel LVCMOS Converter
      4. 7.3.4 LVCMOS Drivers
    4. 7.4 Device Functional Modes
      1. 7.4.1 Power Sequencing and Power-Down Mode
  8. Application and Implementation
    1. 8.1 Application Information
    2. 8.2 Typical Applications
      1. 8.2.1 Design Requirements
      2. 8.2.2 Detailed Design Procedure
        1. 8.2.2.1 Cables
        2. 8.2.2.2 Bit Resolution and Operating Frequency Compatibility
        3. 8.2.2.3 Data Mapping between Receiver and Endpoint Panel Display
        4. 8.2.2.4 RSKM Interoperability
      3. 8.2.3 Application Curves
  9. Power Supply Recommendations
  10. 10Layout
    1. 10.1 Layout Guidelines
    2. 10.2 Layout Examples
  11. 11デバイスおよびドキュメントのサポート
    1. 11.1 ドキュメントのサポート
      1. 11.1.1 関連資料
    2. 11.2 コミュニティ・リソース
    3. 11.3 商標
    4. 11.4 静電気放電に関する注意事項
    5. 11.5 Glossary
  12. 12メカニカル、パッケージ、および注文情報

パッケージ・オプション

メカニカル・データ(パッケージ|ピン)
サーマルパッド・メカニカル・データ
発注情報

1 特長

  • 20MHz~85MHzのシフト・クロックをサポート
  • 85MHzのグレイスケールにおいてRx消費電力が142mW未満(標準値)
  • Rxパワーダウン・モードで1.44mW未満(最大値)
  • ESD定格7kV超(HBM)、700V超(EIAJ)
  • VGA、SVGA、XGA、およびシングル・ピクセルSXGAをサポート
  • PLLに外部コンポーネントが不要
  • TIA/EIA-644 LVDS標準と互換
  • 低プロファイルの56ピンまたは48ピンTSSOPパッケージ
  • DS90CF386は64ピン、0.8mm、ファインピッチ・ボール・グリッド・アレイ(NFBGA)パッケージでも利用可能

2 アプリケーション

  • ビデオ・ディスプレイ
  • プリンタおよび画像処理
  • デジタル・ビデオの転送
  • マシン・ビジョン
  • Open LDIからRGBへのブリッジ

3 概要

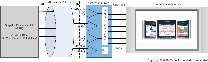
DS90CF386レシーバは、4つのLVDS (低電圧差分信号)データ・ストリームを、パラレルの28ビットLVCMOSデータへ戻します。3つのLVDSデータ・ストリームをパラレルの21ビットLVCMOSデータへ戻す、DS90CF366レシーバも利用できます。どちらのレシーバの出力も、立ち下がりエッジにストローブします。立ち上がりエッジまたは立ち下がりエッジのストローブ・トランスミッタは、変換ロジックなしで、立ち下がりエッジのストローブ・レシーバと相互に動作します。

レシーバのLVDSクロックは、20MHz~85MHzで動作します。
デバイスは入力LVDSクロックにフェーズロックし、LVDSデータ・ラインのシリアル・ビット・ストリームをサンプリングして、パラレルの出力データへ変換します。
供給されるクロックが85MHzの場合、各LVDS入力ラインは595Mbpsのビット転送速度で動作し、最大スループットはDS90CF386で2.38Gbps、DS90CF366で1.785Gbpsになります。

これらのシリアル・リンク・デバイスの使用は、幅広で高速のパラレルLVCMOSインターフェイス上でデータを伝送する場合に発生するEMIやケーブル・サイズの問題を解決するために理想的です。どちらのデバイスも、TSSOPパッケージで提供されます。DS90CF386は64ピン、0.8mmのファイン・ピッチ・ボール・グリッド・アレイ(NFBGA)パッケージでも提供され、56ピンのTSSOPパッケージと比較してPCBの占有面積を44%削減できます。

製品情報(1)

型番 パッケージ 本体サイズ(公称)
DS90CF366 TSSOP (48) 12.50mm×6.10mm
DS90CF386 TSSOP (56) 14.00mm×6.10mm
NFBGA (64) 8.00mm×8.00mm
  1. 提供されているすべてのパッケージについては、巻末の注文情報を参照してください。

代表的なアプリケーションのブロック図(DS90CF366)

DS90CF366 DS90CF386 366_typ_blk_diagram.gif