JAJSD25 March   2017 SN74LVC1G79-Q1

PRODUCTION DATA.  

  1. 特長
  2. アプリケーション
  3. 概要
  4. 改訂履歴
  5. Pin Configuration and Functions
  6. Specifications
    1. 6.1  Absolute Maximum Ratings
    2. 6.2  ESD Ratings
    3. 6.3  Recommended Operating Conditions
    4. 6.4  Thermal Information
    5. 6.5  Electrical Characteristics
    6. 6.6  Timing Requirements: TA = -40°C to +85°C
    7. 6.7  Timing Requirements: TA = -40°C to +125°C
    8. 6.8  Switching Characteristics: CL = 15 pF, TA = -40°C to +85°C
    9. 6.9  Switching Characteristics: CL = 30 or 50 pF, TA = -40°C to +85°C
    10. 6.10 Switching Characteristics: CL = 30 pF or 50 pF, TA = -40°C to +125°C
    11. 6.11 Operating Characteristics
    12. 6.12 Typical Characteristics
  7. Parameter Measurement Information
  8. Detailed Description
    1. 8.1 Overview
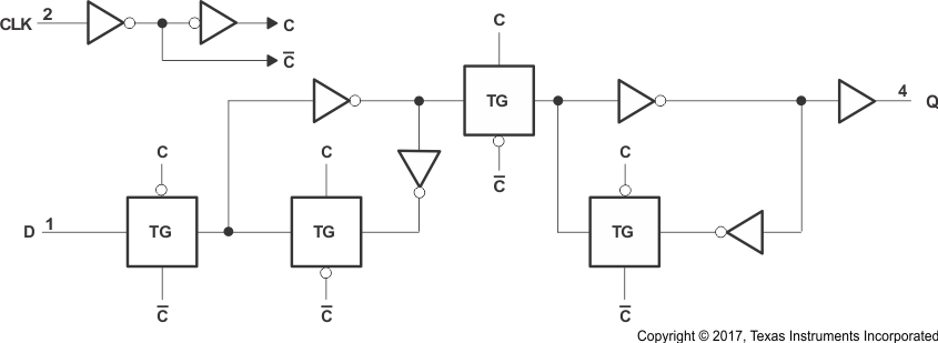
    2. 8.2 Functional Block Diagram
    3. 8.3 Feature Description
      1. 8.3.1 Balanced High-Drive CMOS Push-Pull Outputs
      2. 8.3.2 Standard CMOS Inputs
      3. 8.3.3 Clamp Diodes
      4. 8.3.4 Partial Power Down (Ioff)
      5. 8.3.5 Over-Voltage Tolerant Inputs
    4. 8.4 Device Functional Modes
  9. Application and Implementation
    1. 9.1 Application Information
    2. 9.2 Typical Application
      1. 9.2.1 Design Requirements
      2. 9.2.2 Detailed Design Procedure
      3. 9.2.3 Application Curve
  10. 10Power Supply Recommendations
  11. 11Layout
    1. 11.1 Layout Guidelines
    2. 11.2 Layout Example
  12. 12デバイスおよびドキュメントのサポート
    1. 12.1 ドキュメントのサポート
      1. 12.1.1 関連資料
    2. 12.2 ドキュメントの更新通知を受け取る方法
    3. 12.3 コミュニティ・リソース
    4. 12.4 商標
    5. 12.5 静電気放電に関する注意事項
    6. 12.6 Glossary
  13. 13メカニカル、パッケージ、および注文情報

パッケージ・オプション

メカニカル・データ(パッケージ|ピン)
サーマルパッド・メカニカル・データ
発注情報

特長

  • 車載アプリケーションに対応
  • 下記内容でAEC-Q100認定済み:
    • ±4000V、人体モデル(HBM) ESD分類レベル3A
    • ±1000V、荷電デバイス・モデル(CDM) ESD分類レベルC5
  • 5V VCC動作をサポート
  • 5.5Vまでの入力電圧に対応
  • VCCへの降圧変換をサポート
  • 3.3Vおよび50pF負荷で最大tpdが6ns
  • 低消費電力、最大ICC 10µA
  • 3.3Vにおいて±24mAの出力駆動能力
  • Ioffにより部分的パワーダウン・モードおよびバック・ドライブ保護をサポート

アプリケーション

  • 車載インフォテインメント
  • オートモーティブ・パネル
  • 車載用ADAS
  • 車体用電子機器
  • HEV/EV用パワートレイン

概要

SN74LVC1G79-Q1デバイスは車載用AEC-Q100認定済みのシングル正エッジ・トリガ、Dタイプ・フリップ・フロップで、1.65V~5.5VのVCCで動作するよう設計されています。

データ(D)入力のデータがセットアップ時間の要件と合致すると、クロック・パルスが正に変化するエッジで、データがQ出力へ転送されます。クロックのトリガは電圧レベルで発生し、クロック・パルスの立ち上がり時間とは直接関係しません。ホールド時間のインターバルの後で、出力のレベルに影響を及ぼすことなく、D入力のデータが変化できます。

このデバイスは、Ioffを使用する部分的パワーダウン・アプリケーション用に完全に動作が規定されています。Ioff回路は、デバイスの電源がオフになったとき、出力をディセーブルします。これによってデバイスへの電流の逆流が抑止され、デバイスが損傷から保護されます。

製品情報(1)

型番 パッケージ 本体サイズ
SN74LVC1G79QDCKRQ1 SC70 (5) 2.00mm×1.25mm
  1. 利用可能なすべてのパッケージについては、このデータシートの末尾にある注文情報を参照してください。

ロジック図 (正論理)

SN74LVC1G79-Q1 sn74lvc1g79-ld-ces220-block-diagram.gif