SBAA331A January   2019  – August 2024 DAC60501 , OPA207

 

  1.   1
  2.   2
  3.   Trademarks
Analog Engineer's Circuit

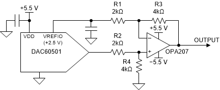
Space-Grade Unipolar Negative Voltage Source From Unipolar DAC Circuit