SBVA076A December   2019  – September 2021 TPS3850-Q1

 

  1.   Trademarks
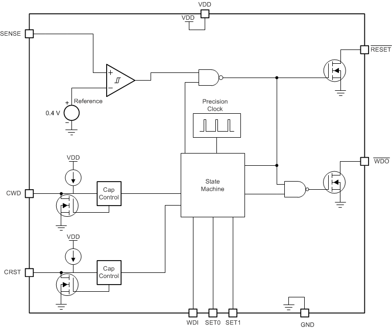
  2. 1Overview
  3. 2Functional Safety Failure In Time (FIT) Rates
  4. 3Failure Mode Distribution (FMD)
  5. 4Pin Failure Mode Analysis (Pin FMA)

Trademarks

All trademarks are the property of their respective owners.