SLLA420C June   2018  – November 2024 ISO1211 , ISO1212 , ISO1228

 

  1.   1
  2. 12
  3.   Trademarks
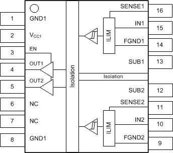
Application Brief

Space-Saving Design Techniques for Multichannel High-Voltage Digital Input Modules