SLVAEK9A December   2019  – November 2020 TPS62160-Q1 , TPS62162-Q1

 

  1.   Trademarks
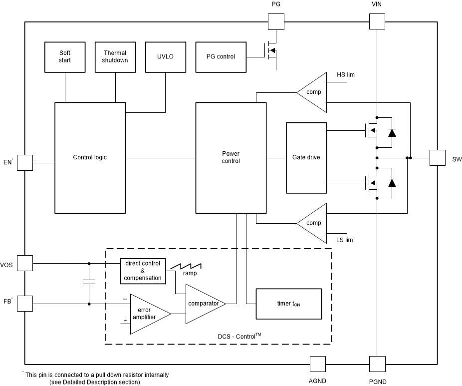
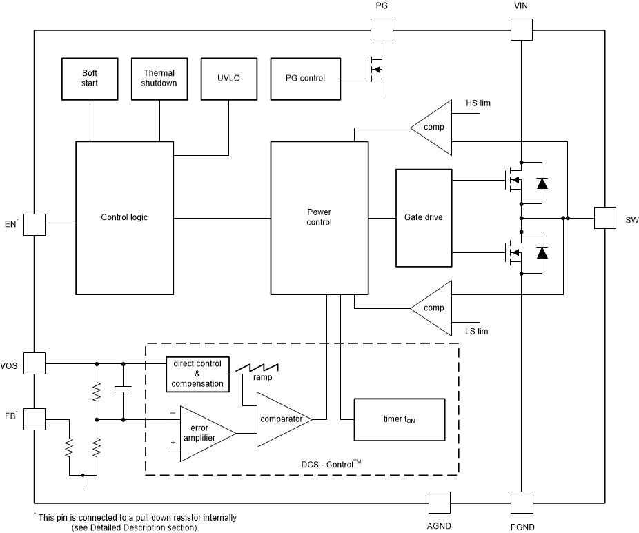
  2. 1Overview
  3. 2Functional Safety Failure In Time (FIT) Rates
  4. 3Failure Mode Distribution (FMD)
  5. 4Pin Failure Mode Analysis (Pin FMA)
    1. 4.1 Pin Failure Mode Analysis for TPS62160-Q1
    2. 4.2 Pin Failure Mode Analysis for TPS62162-Q1
  6. 5Revision History

Trademarks

All trademarks are the property of their respective owners.