SSZT138 august   2021 DRV8428 , DRV8837C , MSP430FR2155 , MSP430FR2355 , MSP430FR2675 , MSP430FR2676

 

  1.   1
  2.   2
    1.     3
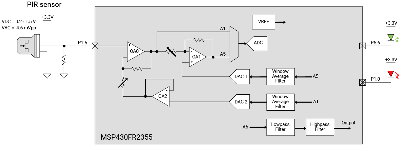
    2.     Detect Motion Accurately: PIR Solution
    3.     Sense in All Environments: Touch Keypads
    4.     Motor Control: Camera Motor Module
    5.     Conclusion
    6.     Additional Resources
Technical Article

Detect. Sense. Control: Simplify Building Automation Designs with MSP430™︎ MCUs