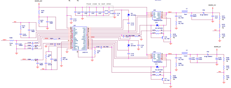
SSZT896 November   2017 LM25119 , LM5140-Q1

 

  1.   1
  2.   2
    1.     3
Technical Article

How to Use Dual Buck Controllers to Power PMICs in Automotive Applications