SSZTA81 april   2017 DRV8802-Q1

 

  1.   1
  2.   2
    1.     3
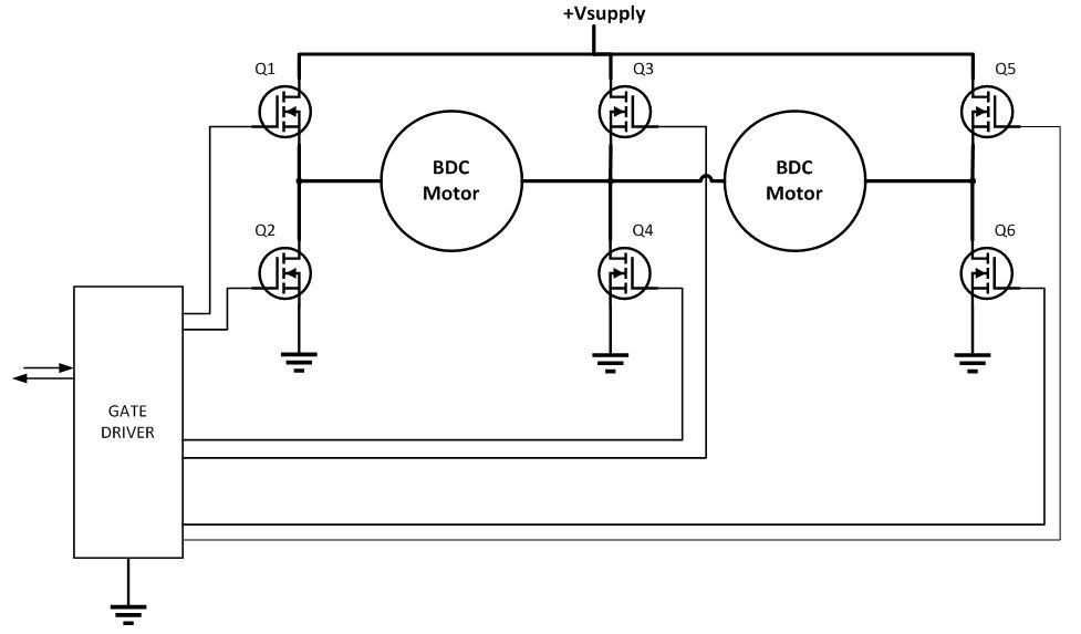
    2.     Driving Seat Motors
    3.     Simplifying Seat Motor Driver Electronics
    4.     Additional Resources
Technical Article

Putting Innovation in the Driver's Seat. What Technologies Are Most Important to Modern Power Seats?