SLAS990E January   2014  – October 2017 LM15851

PRODUCTION DATA.  

  1. Features
  2. Applications
  3. Description
  4. Revision History
  5. Pin Configuration and Functions
  6. Specifications
    1. 6.1 Absolute Maximum Ratings
    2. 6.2 ESD Ratings
    3. 6.3 Recommended Operating Conditions
    4. 6.4 Thermal Information
    5. 6.5 Electrical Characteristics
    6. 6.6 Timing Requirements
    7. 6.7 Internal Characteristics
    8. 6.8 Switching Characteristics
    9. 6.9 Typical Characteristics
  7. Detailed Description
    1. 7.1 Overview
    2. 7.2 Functional Block Diagram
    3. 7.3 Feature Description
      1. 7.3.1 Signal Acquisition
      2. 7.3.2 The Analog Inputs
        1. 7.3.2.1 Input Clamp
        2. 7.3.2.2 AC Coupled Input Usage
        3. 7.3.2.3 DC Coupled Input Usage
        4. 7.3.2.4 Handling Single-Ended Input Signals
      3. 7.3.3 Clocking
      4. 7.3.4 Over-Range Function
      5. 7.3.5 ADC Core Features
        1. 7.3.5.1 The Reference Voltage
        2. 7.3.5.2 Common-Mode Voltage Generation
        3. 7.3.5.3 Bias Current Generation
        4. 7.3.5.4 Full Scale Range Adjust
        5. 7.3.5.5 Offset Adjust
        6. 7.3.5.6 Power-Down
        7. 7.3.5.7 Built-In Temperature Monitor Diode
      6. 7.3.6 Digital Down Converter (DDC)
        1. 7.3.6.1 NCO/Mixer
        2. 7.3.6.2 NCO Settings
          1. 7.3.6.2.1 NCO Frequency Phase Selection
          2. 7.3.6.2.2 NCO_0, NCO_1, and NCO_2 (NCO_x)
          3. 7.3.6.2.3 NCO_SEL Bits (2:0)
          4. 7.3.6.2.4 NCO Frequency Setting (Eight Total)
            1. 7.3.6.2.4.1 Basic NCO Frequency-Setting Mode
            2. 7.3.6.2.4.2 Rational NCO Frequency Setting Mode
          5. 7.3.6.2.5 NCO Phase-Offset Setting (Eight Total)
          6. 7.3.6.2.6 Programmable DDC Delay
        3. 7.3.6.3 Decimation Filters
        4. 7.3.6.4 DDC Output Data
        5. 7.3.6.5 Decimation Settings
          1. 7.3.6.5.1 Decimation Factor
          2. 7.3.6.5.2 DDC Gain Boost
      7. 7.3.7 Data Outputs
        1. 7.3.7.1 The Digital Outputs
        2. 7.3.7.2 JESD204B Interface Features and Settings
          1. 7.3.7.2.1  Scrambler Enable
          2. 7.3.7.2.2  Frames Per Multi-Frame (K-1)
          3. 7.3.7.2.3  DDR
          4. 7.3.7.2.4  JESD Enable
          5. 7.3.7.2.5  JESD Test Modes
          6. 7.3.7.2.6  Configurable Pre-Emphasis
          7. 7.3.7.2.7  Serial Output-Data Formatting
          8. 7.3.7.2.8  JESD204B Synchronization Features
          9. 7.3.7.2.9  SYSREF
          10. 7.3.7.2.10 SYNC~
          11. 7.3.7.2.11 Code-Group Synchronization
          12. 7.3.7.2.12 Multiple ADC Synchronization
    4. 7.4 Device Functional Modes
      1. 7.4.1 DDC Modes
      2. 7.4.2 Calibration
        1. 7.4.2.1 Foreground Calibration Mode
        2. 7.4.2.2 Background Calibration Mode
      3. 7.4.3 Timing Calibration Mode
      4. 7.4.4 Test-Pattern Modes
        1. 7.4.4.1 Serializer Test-Mode Details
        2. 7.4.4.2 PRBS Test Modes
        3. 7.4.4.3 Ramp Test Mode
        4. 7.4.4.4 Short and Long-Transport Test Mode
        5. 7.4.4.5 D21.5 Test Mode
        6. 7.4.4.6 K28.5 Test Mode
        7. 7.4.4.7 Repeated ILA Test Mode
        8. 7.4.4.8 Modified RPAT Test Mode
    5. 7.5 Programming
      1. 7.5.1 Using the Serial Interface
        1. 7.5.1.1 Streaming Mode
    6. 7.6 Register Map
      1. 7.6.1 Memory Map
      2. 7.6.2 Register Descriptions
        1. 7.6.2.1 Standard SPI-3.0 (0x000 to 0x00F)
          1. 7.6.2.1.1 Configuration A Register (address = 0x000) [reset = 0x3C]
          2. 7.6.2.1.2 Configuration B Register (address = 0x001) [reset = 0x00]
          3. 7.6.2.1.3 Device Configuration Register (address = 0x002) [reset = 0x00]
          4. 7.6.2.1.4 Chip Type Register (address = 0x003) [reset = 0x03]
          5. 7.6.2.1.5 Chip Version Register (address = 0x006) [reset = 0x13]
          6. 7.6.2.1.6 Vendor Identification Register (address = 0x00C to 0x00D) [reset = 0x0451]
        2. 7.6.2.2 User SPI Configuration (0x010 to 0x01F)
          1. 7.6.2.2.1 User SPI Configuration Register (address = 0x010) [reset = 0x00]
        3. 7.6.2.3 General Analog, Bias, Band Gap, and Track and Hold (0x020 to 0x02F)
          1. 7.6.2.3.1 Power-On Reset Register (address = 0x021) [reset = 0x00]
          2. 7.6.2.3.2 I/O Gain 0 Register (address = 0x022) [reset = 0x40]
          3. 7.6.2.3.3 IO_GAIN_1 Register (address = 0x023) [reset = 0x00]
          4. 7.6.2.3.4 I/O Offset 0 Register (address = 0x025) [reset = 0x40]
          5. 7.6.2.3.5 I/O Offset 1 Register (address = 0x026) [reset = 0x00]
        4. 7.6.2.4 Clock (0x030 to 0x03F)
          1. 7.6.2.4.1 Clock Generator Control 0 Register (address = 0x030) [reset = 0xC0]
          2. 7.6.2.4.2 Clock Generator Status Register (address = 0x031) [reset = 0x07]
          3. 7.6.2.4.3 Clock Generator Control 2 Register (address = 0x032) [reset = 0x80]
          4. 7.6.2.4.4 Analog Miscellaneous Register (address = 0x033) [reset = 0xC3]
          5. 7.6.2.4.5 Input Clamp Enable Register (address = 0x034) [reset = 0x2F]
        5. 7.6.2.5 Serializer (0x040 to 0x04F)
          1. 7.6.2.5.1 Serializer Configuration Register (address = 0x040) [reset = 0x04]
        6. 7.6.2.6 ADC Calibration (0x050 to 0x1FF)
          1. 7.6.2.6.1 Calibration Configuration 0 Register (address = 0x050) [reset = 0x06]
          2. 7.6.2.6.2 Calibration Configuration 1 Register (address = 0x051) [reset = 0xF4]
          3. 7.6.2.6.3 Calibration Background Control Register (address = 0x057) [reset = 0x10]
          4. 7.6.2.6.4 ADC Pattern and Over-Range Enable Register (address = 0x058) [reset = 0x00]
          5. 7.6.2.6.5 Calibration Vectors Register (address = 0x05A) [reset = 0x00]
          6. 7.6.2.6.6 Calibration Status Register (address = 0x05B) [reset = undefined]
          7. 7.6.2.6.7 Timing Calibration Register (address = 0x066) [reset = 0x02]
        7. 7.6.2.7 Digital Down Converter and JESD204B (0x200-0x27F)
          1. 7.6.2.7.1  Digital Down-Converter (DDC) Control Register (address = 0x200) [reset = 0x10]
          2. 7.6.2.7.2  JESD204B Control 1 Register (address = 0x201) [reset = 0x0F]
          3. 7.6.2.7.3  JESD204B Control 2 Register (address = 0x202) [reset = 0x00]
          4. 7.6.2.7.4  JESD204B Device ID (DID) Register (address = 0x203) [reset = 0x00]
          5. 7.6.2.7.5  JESD204B Control 3 Register (address = 0x204) [reset = 0x00]
          6. 7.6.2.7.6  JESD204B and System Status Register (address = 0x205) [reset = Undefined]
          7. 7.6.2.7.7  Overrange Threshold 0 Register (address = 0x206) [reset = 0xF2]
          8. 7.6.2.7.8  Overrange Threshold 1 Register (address = 0x207) [reset = 0xAB]
          9. 7.6.2.7.9  Overrange Period Register (address = 0x208) [reset = 0x00]
          10. 7.6.2.7.10 DDC Configuration Preset Mode Register (address = 0x20C) [reset = 0x00]
          11. 7.6.2.7.11 DDC Configuration Preset Select Register (address = 0x20D) [reset = 0x00]
          12. 7.6.2.7.12 Rational NCO Reference Divisor Register (address = 0x20E to 0x20F) [reset = 0x0000]
          13. 7.6.2.7.13 NCO Frequency (Preset x) Register (address = see ) [reset = see ]
          14. 7.6.2.7.14 NCO Phase (Preset x) Register (address = see ) [reset = see ]
          15. 7.6.2.7.15 DDC Delay (Preset x) Register (address = see ) [reset = see ]
  8. Application and Implementation
    1. 8.1 Application Information
    2. 8.2 Typical Application
      1. 8.2.1 RF Sampling Receiver
        1. 8.2.1.1 Design Requirements
        2. 8.2.1.2 Detailed Design Procedure
        3. 8.2.1.3 Application Curves
    3. 8.3 Initialization Set-Up
      1. 8.3.1 JESD204B Startup Sequence
    4. 8.4 Dos and Don'ts
      1. 8.4.1 Common Application Pitfalls
  9. Power Supply Recommendations
    1. 9.1 Supply Voltage
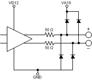
  10. 10Layout
    1. 10.1 Layout Guidelines
    2. 10.2 Layout Example
    3. 10.3 Thermal Management
  11. 11Device and Documentation Support
    1. 11.1 Device Support
      1. 11.1.1 Third-Party Products Disclaimer
      2. 11.1.2 Development Support
      3. 11.1.3 Device Nomenclature
    2. 11.2 Documentation Support
      1. 11.2.1 Related Documentation
    3. 11.3 Community Resource
    4. 11.4 Trademarks
    5. 11.5 Electrostatic Discharge Caution
    6. 11.6 Glossary
  12. 12Mechanical, Packaging, and Orderable Information

Package Options

Mechanical Data (Package|Pins)
Thermal pad, mechanical data (Package|Pins)
Orderable Information

Features

  • Excellent Noise and Linearity up to and beyond FIN = 3 GHz
  • Configurable DDC
  • Decimation Factors from 4 to 32 (Complex Baseband Out)
  • Usable Output Bandwidth of 800 MHz at
    4x Decimation and 4000 MSPS
  • Usable Output Bandwidth of 100 MHz at
    32x Decimation and 4000 MSPS
  • Low Pin-Count JESD204B Subclass 1 Interface
  • Automatically Optimized Output Lane Count
  • Embedded Low Latency Signal Range Indication
  • Low Power Consumption
  • Key Specifications:
    • Max Sampling Rate: 4000 MSPS
    • Min Sampling Rate: 1000 MSPS
    • DDC Output Word Size: 15-Bit Complex (30 bits total)
    • IMD3: −64 dBc (FIN = 2140 MHz ± 30 MHz at −13 dBFS)
    • FPBW (–3 dB): 3.2 GHz
    • Supply Voltages: 1.9 V and 1.2 V
    • Power Consumption
      • Decimate by 10 (4000 MSPS): 2 W
      • Power Down Mode: <50 mW

Applications

  • Wireless Infrastructure
  • RF-Sampling Software Defined Radio
  • Wideband Microwave Backhaul
  • DOCSIS / Cable Infrastructure

Description

The LM15851 device is a wideband sampling and digital tuning device. Texas Instruments' giga-sample analog-to-digital converter (ADC) technology enables a large block of frequency spectrum to be sampled directly at RF. An integrated DDC (Digital Down Converter) provides digital filtering and down-conversion. The selected frequency block is made available on a JESD204B serial interface. Data is output as baseband 15-bit complex information for ease of downstream processing. Based on the digital down-converter (DDC) decimation and link output rate settings, this data is output on 1 to 5 lanes of the serial interface.

The LM15851 device is available in a 68-pin VQFN package. The device operates over the Industrial (–40°C ≤ TA ≤ 85°C) ambient temperature range.

Device Information(1)

PART NUMBER PACKAGE BODY SIZE (NOM)
LM15851 VQFN (68) 10.00 mm × 10.00 mm
  1. For all available packages, see the orderable addendum at the end of the datasheet.

Decimate by 16 — Spectral Response
ƒS = 4 GHz, FIN = 1897 MHz at –1 dBFS, ƒ(NCO_x) = 1827 MHz

LM15851 C002_SLAS990.png