SNVS005E November 1999 – December 2014 LM2664
PRODUCTION DATA.
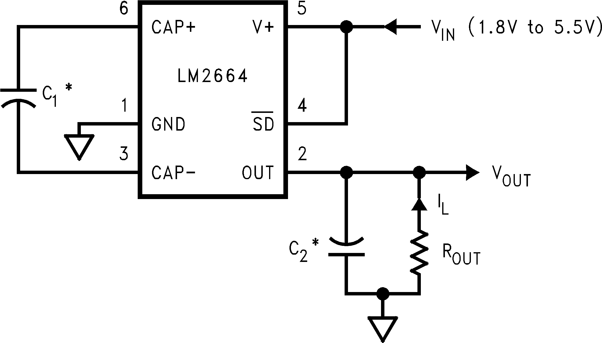
The LM2664 CMOS charge-pump voltage converter inverts a positive voltage in the range of 1.8 V to 5.5 V to the corresponding negative voltage of −1.8 V to −5.5 V. The device uses two low-cost capacitors to provide up to 40 mA of output current.
The LM2664 operates at 160-kHz oscillator frequency to reduce output resistance and voltage ripple. With an operating current of only 220 µA (operating efficiency greater than 91% with most loads) and 1-µA typical shutdown current, the LM2664 provides ideal performance for battery-powered systems.
| PART NUMBER | PACKAGE | BODY SIZE (NOM) |
|---|---|---|
| LM2664 | SOT-23 (6) | 2.90 mm x 1.60 mm |

