SNVS009H November   1999  – March 2016 LM2665

PRODUCTION DATA.  

  1. Features
  2. Applications
  3. Description
  4. Revision History
  5. Pin Configuration and Functions
  6. Specifications
    1. 6.1 Absolute Maximum Ratings
    2. 6.2 ESD Ratings
    3. 6.3 Recommended Operating Conditions
    4. 6.4 Thermal Information
    5. 6.5 Electrical Characteristics
    6. 6.6 Typical Characteristics
  7. Parameter Measurement Information
    1. 7.1 Test Circuit
  8. Detailed Description
    1. 8.1 Overview
    2. 8.2 Functional Block Diagram
    3. 8.3 Feature Description
      1. 8.3.1 Circuit Description
    4. 8.4 Device Functional Modes
      1. 8.4.1 Shutdown Mode
  9. Application and Implementation
    1. 9.1 Application Information
    2. 9.2 Typical Applications
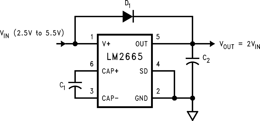
      1. 9.2.1 Voltage Doubler
        1. 9.2.1.1 Design Requirements
        2. 9.2.1.2 Detailed Design Requirements
          1. 9.2.1.2.1 Positive Voltage Doubler
          2. 9.2.1.2.2 Capacitor Selection
          3. 9.2.1.2.3 Paralleling Devices
          4. 9.2.1.2.4 Cascading Devices
          5. 9.2.1.2.5 Regulating VOUT
        3. 9.2.1.3 Application Curve
      2. 9.2.2 Splitting V+ In Half
  10. 10Power Supply Recommendations
  11. 11Layout
    1. 11.1 Layout Guidelines
    2. 11.2 Layout Example
  12. 12Device and Documentation Support
    1. 12.1 Community Resources
    2. 12.2 Trademarks
    3. 12.3 Electrostatic Discharge Caution
    4. 12.4 Glossary
  13. 13Mechanical, Packaging, and Orderable Information

Package Options

Mechanical Data (Package|Pins)
Thermal pad, mechanical data (Package|Pins)
Orderable Information

1 Features

  • Input Voltage for Voltage Doubler: 2.5 V to 5.5 V
  • Voltage Divider Splits Voltage: 1.8 V to 11 V
  • Doubles or Splits Input Supply Voltage
  • 12-Ω Typical Output Impedance
  • 90% Typical Conversion Efficiency at 40 mA
  • 1-µA Typical Shutdown Current

2 Applications

  • Cellular Phones
  • Pagers
  • PDAs
  • Operational Amplifier Power Suppliers
  • Interface Power Suppliers
  • Handheld Instruments
  • Fire Detection and Notification
  • Industrial Handheld Radios
  • Blood Pressure Monitors

3 Description

The LM2665 CMOS charge-pump voltage converter operates as a voltage doubler for an input voltage in the range of 2.5 V to 5.5 V. Two low-cost capacitors and a diode (needed during start-up) are used in this circuit to provide up to 40 mA of output current. The LM2665 can also work as a voltage divider to split a voltage in the range of 1.8 V to 11 V in half.

The LM2665 operates at 160-kHz oscillator frequency to reduce output resistance and voltage ripple. With an operating current of only 650 µA (operating efficiency greater than 90% with most loads) and
1-µA typical shutdown current, the LM2665 provides ideal performance for battery powered systems.

Device Information(1)

PART NUMBER PACKAGE BODY SIZE (NOM)
LM2665 SOT-23 (6) 2.90 mm × 1.60 mm
  1. For all available packages, see the orderable addendum at the end of the data sheet.

Voltage Doubler

LM2665 10004901.png

Splitting Vin in Half

LM2665 10004902.png