SNOS966Q May 2001 – September 2014 LMH6642 , LMH6643 , LMH6644
PRODUCTION DATA.
(VS = ±5 V, TA = 25°C, RL = 2 kΩ, AV = +1. Typical Values Unless Specified).
The LMH664X family true single supply voltage feedback amplifiers offer high speed (130 MHz), low distortion (−62 dBc), and exceptionally high output current (approximately 75 mA) at low cost and with reduced power consumption when compared against existing devices with similar performance.
Input common mode voltage range extends to 0.5 V below V− and 1 V from V+. Output voltage range extends to within 40 mV of either supply rail, allowing wide dynamic range especially desirable in low voltage applications. The output stage is capable of approximately 75 mA in order to drive heavy loads. Fast output Slew Rate (130 V/µs) ensures large peak-to-peak output swings can be maintained even at higher speeds, resulting in exceptional full power bandwidth of 40 MHz with a 3 V supply. These characteristics, along with low cost, are ideal features for a multitude of industrial and commercial applications.
| PART NUMBER | PACKAGE | BODY SIZE (NOM) |
|---|---|---|
| LMH6642 | SOT-23 (5) | 2.90 mm × 1.60 mm |
| SOIC (8) | 4.90 mm × 3.91 mm | |
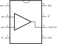
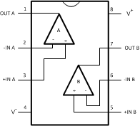
| LMH6643 | SOIC (8) | 3.00 mm × 3.00 mm |
| VSSOP (8) | ||
| LMH6644 | SOIC (14) | 8.64 mm × 3.91 mm |
| TSSOP (14) | 5.00 mm × 4.40 mm |

Changes from P Revision (March 2013) to Q Revision
Changes from O Revision (March 2013) to P Revision