SNOS990H April   2002  – June 2016 LMV341-N , LMV342-N , LMV344-N

PRODUCTION DATA.  

  1. Features
  2. Applications
  3. Description
  4. Revision History
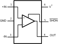
  5. Pin Configuration and Functions
  6. Specifications
    1. 6.1 Absolute Maximum Ratings
    2. 6.2 ESD Ratings
    3. 6.3 Recommended Operating Conditions
    4. 6.4 Thermal Information
    5. 6.5 Electrical Characteristics - 2.7 V (DC)
    6. 6.6 Electrical Characteristics - 2.7 V (AC)
    7. 6.7 Electrical Characteristics - 5 V (DC)
    8. 6.8 Electrical Characteristics - 5 V (AC)
    9. 6.9 Typical Characteristics
  7. Detailed Description
    1. 7.1 Overview
    2. 7.2 Functional Block Diagram
    3. 7.3 Feature Description
      1. 7.3.1 Class AB Turnaround Stage Amplifier
    4. 7.4 Device Functional Modes
      1. 7.4.1 Shutdown Feature
      2. 7.4.2 Low Input Bias Current
  8. Application and Implementation
    1. 8.1 Application Information
    2. 8.2 Typical Application
      1. 8.2.1 Sample and Hold Circuit
        1. 8.2.1.1 Design Requirements
        2. 8.2.1.2 Detailed Design Procedure
        3. 8.2.1.3 Application Curve
  9. Power Supply Recommendations
  10. 10Layout
    1. 10.1 Layout Guidelines
    2. 10.2 Layout Example
  11. 11Device and Documentation Support
    1. 11.1 Device Support
      1. 11.1.1 Development Support
    2. 11.2 Documentation Support
      1. 11.2.1 Related Documentation
    3. 11.3 Related Links
    4. 11.4 Receiving Notification of Documentation Updates
    5. 11.5 Community Resources
    6. 11.6 Trademarks
    7. 11.7 Electrostatic Discharge Caution
    8. 11.8 Glossary
  12. 12Mechanical, Packaging, and Orderable Information

Package Options

Mechanical Data (Package|Pins)
Thermal pad, mechanical data (Package|Pins)
Orderable Information

1 Features

  • Typical 2.7 V Supply Values (Unless Otherwise Noted)
  • Ensured 2.7 V and 5 V Specifications
  • Input Referred Voltage Noise at 10 kHz:
    29 nV/√Hz
  • Supply Current (Per Amplifier): 100 µA
  • Gain Bandwidth Product: 1 MHz
  • Slew Rate: 1 V/µs
  • Shutdown Current (LMV341-N): 45 pA
  • Turnon Time From Shutdown (LMV341-N): 5 µs
  • Input Bias Current: 20 fA

2 Applications

  • Cordless or Cellular Phones
  • Laptops
  • PDAs
  • PCMCIA or Audio
  • Portable or Battery-Powered Electronic Equipment
  • Supply Current Monitoring
  • Battery Monitoring
  • Buffers
  • Filters
  • Drivers

Sample and Hold Circuit

LMV341-N LMV342-N LMV344-N 20030444.gif

3 Description

The LMV34x-N devices are single, dual, and quad low-voltage, low-power operational amplifiers. They are designed specifically for low-voltage portable applications. Other important product characteristics are low input bias current, rail-to-rail output, and wide temperature range.

The patented class AB turnaround stage significantly reduces the noise at higher frequencies, power consumption, and offset voltage. The PMOS input stage provides the user with ultra-low input bias current of 20 fA (typical) and high input impedance.

The industrial-plus temperature range of −40°C to 125°C allows the LMV34x-N to accommodate a broad range of extended environment applications. LMV341-N expands Texas Instrument's Silicon Dust amplifier portfolio offering enhancements in size, speed, and power savings. The LMV34x-N devices are specified to operate over the voltage range of
2.7 V to 5.5 V and all have rail-to-rail output.

The LMV341-N offers a shutdown pin that can be used to disable the device. Once in shutdown mode, the supply current is reduced to 45 pA (typical). The LMV34x-N devices have 29-nV voltage noise at 10 KHz, 1 MHz GBW, 1-V/µs slew rate, 0.25 mVos, and 0.1-µA shutdown current (LMV341-N).

The LMV341-N is offered in the tiny 6-pin SC70 package, the LMV342-N in space-saving 8-pin VSSOP and SOIC packages, and the LMV344-N in 14-pin TSSOP and SOIC packages. These small package amplifiers offer an ideal solution for applications requiring minimum PCB footprint. Applications with area constrained PCB requirements include portable electronics such as cellular handsets and PDAs.

Device Information(1)

PART NUMBER PACKAGE BODY SIZE (NOM)
LMV341-N SC70 (6) 2.00 mm × 1.25 mm
LMV342-N VSSOP (8) 3.00 mm × 3.00 mm
SOIC (8) 4.90 mm × 3.91 mm
LMV344-N TSSOP (14) 5.00 mm × 4.40 mm
SOIC (14) 8.64 mm × 3.91 mm
  1. For all available packages, see the orderable addendum at the end of the data sheet.

4 Revision History

Changes from G Revision (March 2013) to H Revision

  • Added ESD Ratings table, Feature Description section, Device Functional Modes, Application and Implementation section, Power Supply Recommendations section, Layout section, Device and Documentation Support section, and Mechanical, Packaging, and Orderable Information sectionGo
  • Changed Thermal Information tableGo

Changes from F Revision (March 2012) to G Revision

  • Changed layout of National Data Sheet to TI formatGo