SLLSEO4A June 2015 – July 2015 ONET1130EP
PRODUCTION DATA.
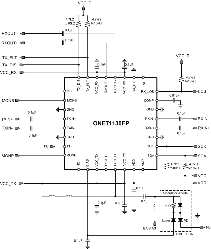
The ONET1130EP is an integrated modulator driver and limiting amplifier designed to operate from 1 Gbps to 11.7 Gbps. Optical and electrical loopback are included and a two-wire serial interface allows digital control of the features.
The transmit path consists of an adjustable input equalizer for equalization of up to 300 mm
(12 inches) of microstrip or stripline transmission line of FR4 printed circuit boards, and an output modulator driver. Output waveform control, in the form of cross-point adjustment and de-emphasis are available to improve the optical eye mask margin. Bias current for the laser is provided and an integrated automatic power control (APC) loop to compensate for variations in average optical power over voltage, temperature and time is included.
The receive path consists of a limiting amplifier with programmable equalization and threshold adjustment, and output de-emphasis to compensate for frequency dependent loss of connectors, microstrips or striplines connected to the output of the device, The receiver output amplitude and loss of signal assert level can be adjusted.
| ORDER NUMBER | PACKAGE (PIN) | BODY SIZE |
|---|---|---|
| ONET1130EP | VQFN (32) | 4.00 mm x 4.00 mm |

Changes from * Revision (June 2015) to A Revision