SBOS761 November   2015 OPA2211-EP

PRODUCTION DATA.  

  1. Features
  2. Applications
  3. Description
  4. Revision History
  5. Pin Configuration and Functions
  6. Specifications
    1. 6.1 Absolute Maximum Ratings
    2. 6.2 ESD Ratings
    3. 6.3 Recommended Operating Conditions
    4. 6.4 Thermal Information
    5. 6.5 Electrical Characteristics: VS = ±2.25 to ±18 V
    6. 6.6 Typical Characteristics
  7. Detailed Description
    1. 7.1 Overview
    2. 7.2 Functional Block Diagram
    3. 7.3 Feature Description
      1. 7.3.1 Input Protection
      2. 7.3.2 Noise Performance
      3. 7.3.3 Basic Noise Calculations
      4. 7.3.4 Total Harmonic Distortion Measurements
    4. 7.4 Device Functional Modes
  8. Application and Implementation
    1. 8.1 Application Information
      1. 8.1.1 Electrical Overstress
    2. 8.2 Typical Application
      1. 8.2.1 Design Requirements
      2. 8.2.2 Detailed Design Procedure
        1. 8.2.2.1 Total Harmonic Distortion Measurements
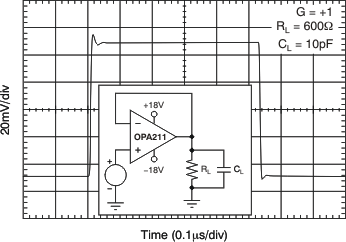
      3. 8.2.3 Application Curves
  9. Power Supply Recommendations
    1. 9.1 Operating Voltage
  10. 10Layout
    1. 10.1 Layout Guidelines
    2. 10.2 Layout Example
    3. 10.3 Thermal Considerations
  11. 11Device and Documentation Support
    1. 11.1 Community Resources
    2. 11.2 Trademarks
    3. 11.3 Electrostatic Discharge Caution
    4. 11.4 Glossary
  12. 12Mechanical, Packaging, and Orderable Information

Package Options

Mechanical Data (Package|Pins)
Thermal pad, mechanical data (Package|Pins)
Orderable Information

1 Features

  • Low Voltage Noise: 1.1 nV/√Hz at 1 kHz
  • Input Voltage Noise: 80 nVPP (0.1 to 10 Hz)
  • THD+N: –136 dB (G = 1, ƒ = 1 kHz)
  • Offset Voltage: 180 μV (Max)
  • Offset Voltage Drift: 0.35 μV/°C (Typ)
  • Low Supply Current: 3.6 mA/Ch (Typ)
  • Unity-Gain Stable
  • Gain Bandwidth Product:
    80 MHz (G = 100)
    45 MHz (G = 1)
  • Slew Rate: 27 V/μs
  • 16-Bit Settling: 700 ns
  • Wide Supply Range:
    ±2.25 V to ±18 V, +4.5 V to +36 V
  • Rail-to-Rail Output
  • Output Current: 30 mA
  • Supports Defense, Aerospace, and Medical Applications
    • Controlled Baseline
    • One Assembly and Test Site
    • One Fabrication Site
    • Available in Military (–55°C to 125°C) Temperature Range (1)
    • Extended Product Life Cycle
    • Extended Product-Change Notification
    • Product Traceability
(1) Additional temperature ranges available - contact factory

2 Applications

  • PLL Loop Filter
  • Low-Noise, Low-Power Signal Processing
  • 16-Bit ADC Drivers
  • DAC Output Amplifiers
  • Active Filters
  • Low-Noise Instrumentation Amplifiers
  • Ultrasound Amplifiers
  • Professional Audio Preamplifiers
  • Low-Noise Frequency Synthesizers
  • Infrared Detector Amplifiers
  • Hydrophone Amplifiers
  • Geophone Amplifiers
  • Medical

3 Description

The OPA2211-EP series of precision operational amplifiers achieves very-low 1.1-nV/√Hz noise density with a supply current of only 3.6 mA. This series also offers rail-to-rail output swing, which maximizes dynamic range.

The extremely low voltage and low current noise, high speed, and wide output swing of the OPA2211-EP series make these devices an excellent choice as a loop filter amplifier in PLL applications.

In precision data acquisition applications, the OPA2211-EP series of operational amplifiers provides 700-ns settling time to 16-bit accuracy throughout 10-V output swings. This AC performance, combined with only 125 μV of offset and 0.35 μV/°C of drift over temperature, makes the OPA2211-EP ideal for driving high-precision 16-bit analog-to-digital converters (ADCs) or buffering the output of high-resolution digital-to-analog converters (DACs).

The OPA2211-EP is specified over a wide dual-power supply range of ±2.25 V to ±18 V, or for single-supply operation from 4.5 to 36 V.

The OPA2211-EP is available in a small DFN-8 (3-mm × 3-mm) package. These operational amplifiers are specified from TJ = –55°C to 125°C.

Device Information(1)

PART NUMBER PACKAGE BODY SIZE (NOM)
OPA2211-EP WSON (8) 3.00 mm × 3.00 mm
  1. For all available packages, see the orderable addendum at the end of the data sheet.

Voltage Noise Density vs Frequency

OPA2211-EP frontpage_bos377.gif

4 Revision History

DATE REVISION NOTES
November 2015 * Initial release.