SBOS351E March   2006  – December 2015 OPA2333 , OPA333

PRODUCTION DATA.  

  1. Features
  2. Applications
  3. Description
  4. Revision History
  5. Pin Configuration and Functions
  6. Specifications
    1. 6.1 Absolute Maximum Ratings
    2. 6.2 ESD Ratings
    3. 6.3 Recommended Operating Conditions
    4. 6.4 Thermal Information: OPA333
    5. 6.5 Thermal Information: OPA2333
    6. 6.6 Electrical Characteristics
    7. 6.7 Typical Characteristics
  7. Detailed Description
    1. 7.1 Overview
    2. 7.2 Functional Block Diagram
    3. 7.3 Feature Description
      1. 7.3.1 Operating Voltage
      2. 7.3.2 Input Voltage
      3. 7.3.3 Internal Offset Correction
      4. 7.3.4 Achieving Output Swing to the Op Amp Negative Rail
      5. 7.3.5 DFN Package
    4. 7.4 Device Functional Modes
  8. Application and Implementation
    1. 8.1 Application Information
    2. 8.2 Typical Applications
      1. 8.2.1 High-Side Voltage-to-Current (V-I) Converter
        1. 8.2.1.1 Design Requirements
        2. 8.2.1.2 Detailed Design Procedure
        3. 8.2.1.3 Application Curve
      2. 8.2.2 Precision, Low-Level Voltage-to-Current (V-I) Converter
        1. 8.2.2.1 Design Requirements
        2. 8.2.2.2 Detailed Design Procedure
        3. 8.2.2.3 Application Curves
      3. 8.2.3 Composite Amplifier
        1. 8.2.3.1 Design Requirements
        2. 8.2.3.2 Detailed Design Procedure
        3. 8.2.3.3 Application Curve
    3. 8.3 System Examples
      1. 8.3.1 Temperature Measurement Application
      2. 8.3.2 Single Operational Amplifier Bridge Amplifier Application
      3. 8.3.3 Low-Side Current Monitor Application
      4. 8.3.4 Other Applications
  9. Power Supply Recommendations
  10. 10Layout
    1. 10.1 Layout Guidelines
      1. 10.1.1 General Layout Guidelines
      2. 10.1.2 DFN Layout Guidelines
    2. 10.2 Layout Example
  11. 11Device and Documentation Support
    1. 11.1 Device Support
      1. 11.1.1 Development Support
    2. 11.2 Documentation Support
      1. 11.2.1 Related Documentation
    3. 11.3 Related Links
    4. 11.4 Community Resources
    5. 11.5 Trademarks
    6. 11.6 Electrostatic Discharge Caution
    7. 11.7 Glossary
  12. 12Mechanical, Packaging, and Orderable Information

Package Options

Mechanical Data (Package|Pins)
Thermal pad, mechanical data (Package|Pins)
Orderable Information

1 Features

  • Low Offset Voltage: 10 μV (Maximum)
  • Zero Drift: 0.05 μV/°C (Maximum)
  • 0.01-Hz to 10-Hz Noise: 1.1 μVPP
  • Quiescent Current: 17 μA
  • Single-Supply Operation
  • Supply Voltage: 1.8 V to 5.5 V
  • Rail-to-Rail Input/Output
  • microSize Packages: SC70 and SOT23

2 Applications

  • Transducers
  • Temperature Measurements
  • Electronic Scales
  • Medical Instrumentation
  • Battery-Powered Instruments
  • Handheld Test Equipment

3 Description

The OPAx333 series of CMOS operational amplifiers use a proprietary auto-calibration technique to simultaneously provide very low offset voltage (10 μV, maximum) and near-zero drift over time and temperature. These miniature, high-precision, low quiescent current amplifiers offer high-impedance inputs that have a common-mode range 100 mV beyond the rails, and rail-to-rail output that swings within 50 mV of the rails. Single or dual supplies as low as 1.8 V (±0.9 V) and up to 5.5 V (±2.75 V) can be used. These devices are optimized for low-voltage, single-supply operation.

The OPAx333 family offers excellent CMRR without the crossover associated with traditional complementary input stages. This design results in superior performance for driving analog-to-digital converters (ADCs) without degradation of differential linearity.

The OPA333 (single version) is available in the 5-pin SOT-23, SOT, and 8-pin SOIC packages, while the OPA2333 (dual version) is available in the 8-pin VSON, SOIC, and VSSOP packages. All versions are specified for operation from –40°C to 125°C.

Device Information(1)

PART NUMBER PACKAGE BODY SIZE (NOM)
OPA333 SOT-23 (5) 2.90 mm × 1.60 mm
SOT (5) 2.00 mm x 1.25 mm
SOIC (8) 4.90 mm × 3.90 mm
OPA2333 VSON (8) 3.00 mm × 3.00 mm
SOIC (8) 4.90 mm × 3.90 mm
VSSOP (8) 3.00 mm × 3.00 mm
  1. For all available packages, see the orderable addendum at the end of the data sheet.

0.1-Hz to 10-Hz Noise

OPA333 OPA2333 frontpage_noise_graph_sbos351.gif

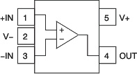
OPAx333 Pinout Diagrams

OPA333 OPA2333 frontpage_pinouts_sbos351.gif