SBOS207C October   2001  – December 2015 PGA2310

PRODUCTION DATA.  

  1. Features
  2. Applications
  3. Description
  4. Revision History
  5. Pin Configuration and Functions
  6. Specifications
    1. 6.1 Absolute Maximum Ratings
    2. 6.2 ESD Ratings
    3. 6.3 Recommended Operating Conditions
    4. 6.4 Thermal Information
    5. 6.5 Electrical Characteristics
    6. 6.6 Typical Characteristics
  7. Detailed Description
    1. 7.1 Overview
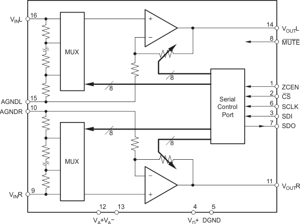
    2. 7.2 Functional Block Diagram
    3. 7.3 Feature Description
      1. 7.3.1 Analog Inputs and Outputs
      2. 7.3.2 Serial Control Port
      3. 7.3.3 Gain Settings
      4. 7.3.4 Daisy-Chaining Multiple PGA2310 Devices
      5. 7.3.5 Zero Crossing Detection
      6. 7.3.6 Mute Function
    4. 7.4 Device Functional Modes
      1. 7.4.1 Power-Up State
  8. Application and Implementation
    1. 8.1 Application Information
    2. 8.2 Typical Application
      1. 8.2.1 Design Requirements
      2. 8.2.2 Detailed Design Procedure
      3. 8.2.3 Application Curve
  9. Power Supply Recommendations
  10. 10Layout
    1. 10.1 Layout Guidelines
    2. 10.2 Layout Example
  11. 11Device and Documentation Support
    1. 11.1 Device Support
      1. 11.1.1 Development Support
    2. 11.2 Documentation Support
      1. 11.2.1 Related Documentation
    3. 11.3 Community Resources
    4. 11.4 Trademarks
    5. 11.5 Electrostatic Discharge Caution
    6. 11.6 Glossary
  12. 12Mechanical, Packaging, and Orderable Information

Package Options

Mechanical Data (Package|Pins)
Thermal pad, mechanical data (Package|Pins)
Orderable Information

1 Features

  • Digitally-Controlled Analog Volume Control:
    • Two Independent Audio Channels
    • Serial Control Interface
    • Zero Crossing Detection
    • Mute Function
  • Wide Gain and Attenuation Range: 31.5 dB to −95.5 dB With 0.5-dB Steps
  • Low Noise and Distortion:
    • 120-dB Dynamic Range
    • 0.0004% THD+N at 1 kHz
  • Low Interchannel Crosstalk: −126 dBFS
  • Noise-Free Level Transitions
  • Power Supplies: 15-V Analog, 5-V Digital
  • Available in DIP−16 and SOL−16 Packages
  • Pin and Software Compatible With the PGA2311 and Cirrus Logic CS3310™

2 Applications

  • Audio Amplifiers
  • Mixing Consoles
  • Multi-Track Recorders
  • Broadcast Studio Equipment
  • Musical Instruments
  • Effects Processors
  • A/V Receivers
  • Car Audio Systems

3 Description

The PGA2310 is a high-performance, stereo audio volume control designed for professional and high-end consumer audio systems. The ability to operate from ±15-V analog power supplies enables the PGA2310 to process input signals with large voltage swings, thereby preserving the dynamic range available in the overall signal path. Using high performance operational amplifier stages internal to the PGA2310 yields low noise and distortion, while providing the capability to drive 600-Ω loads directly without buffering. The three-wire serial control interface allows for connection to a wide variety of host controllers, in addition to support for daisy-chaining multiple PGA2310 devices.

Device Information(1)

PART NUMBER PACKAGE BODY SIZE (NOM)
PGA2310 SOIC (16) 7.50 mm × 10.30 mm
PDIP (16) 6.35 mm × 19.30 mm
  1. For all available packages, see the orderable addendum at the end of the data sheet.

Stereo Audio Volume Control

PGA2310 sbos207_fbd.gif