SCES938B October   2021  – May 2022 SN74LXC2T45

PRODUCTION DATA  

  1. Features
  2. Applications
  3. Description
  4. Revision History
  5. Pin Configuration and Functions
  6. Specifications
    1. 6.1  Absolute Maximum Ratings
    2. 6.2  ESD Ratings
    3. 6.3  Recommended Operating Conditions
    4. 6.4  Thermal Information
    5. 6.5  Electrical Characteristics
    6. 6.6  Switching Characteristics: Tsk, TMAX
    7. 6.7  Switching Characteristics, VCCA = 1.2 ± 0.1 V
    8. 6.8  Switching Characteristics, VCCA = 1.5 ± 0.1 V
    9. 6.9  Switching Characteristics, VCCA = 1.8 ± 0.15 V
    10. 6.10 Switching Characteristics, VCCA = 2.5 ± 0.2 V
    11. 6.11 Switching Characteristics, VCCA = 3.3 ± 0.3 V
    12. 6.12 Switching Characteristics, VCCA = 5.0 ± 0.5 V
    13. 6.13 Operating Characteristics
    14. 6.14 Typical Characteristics
  7. Parameter Measurement Information
    1. 7.1 Load Circuit and Voltage Waveforms
  8. Detailed Description
    1. 8.1 Overview
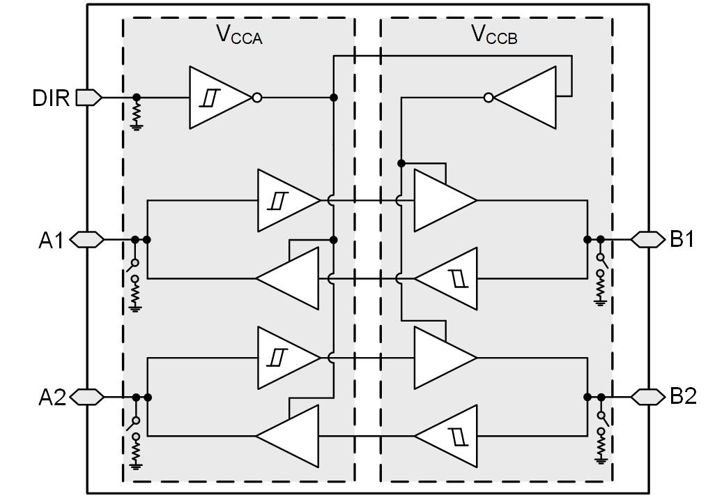
    2. 8.2 Functional Block Diagram
    3. 8.3 Feature Description
      1. 8.3.1 CMOS Schmitt-Trigger Inputs with Integrated Pulldowns
        1. 8.3.1.1 I/O's with Integrated Dynamic Pull-Down Resistors
        2. 8.3.1.2 Control Inputs with Integrated Static Pull-Down Resistors
      2. 8.3.2 Balanced High-Drive CMOS Push-Pull Outputs
  9. Partial Power Down (Ioff)
  10. 10VCC Isolation and VCC Disconnect (Ioff-float)
  11. 11Over-Voltage Tolerant Inputs
  12. 12Glitch-Free Power Supply Sequencing
  13. 13Negative Clamping Diodes
  14. 14Fully Configurable Dual-Rail Design
  15. 15Supports High-Speed Translation
  16. 16Device Functional Modes
  17. 17Application and Implementation
    1. 17.1 Application Information
    2. 17.2 Enable Times
    3. 17.3 Typical Application
      1. 17.3.1 Design Requirements
      2. 17.3.2 Detailed Design Procedure
  18. 18Power Supply Recommendations
  19. 19Layout
    1. 19.1 Layout Guidelines
    2. 19.2 Layout Example
  20. 20Device and Documentation Support
    1. 20.1 Documentation Support
      1. 20.1.1 Related Documentation
    2. 20.2 Receiving Notification of Documentation Updates
    3. 20.3 Support Resources
    4. 20.4 Trademarks
    5. 20.5 Electrostatic Discharge Caution
    6. 20.6 Glossary
  21. 21Mechanical, Packaging, and Orderable Information

Package Options

Mechanical Data (Package|Pins)
Thermal pad, mechanical data (Package|Pins)
Orderable Information

Features

  • Fully configurable dual-rail design allows each port to operate from 1.1 V to 5.5 V
  • Robust, glitch-free power supply sequencing
  • Up to 420-Mbps support for 3.3 V to 5.0 V
  • Schmitt-trigger inputs allow for slow or noisy inputs
  • I/O's with integrated dynamic pull-down resistors help reduce external component count
  • Control inputs with integrated static pull-down resistors allow for floating control inputs
  • High drive strength (up to 32 mA at 5 V)
  • Low power consumption
    • 3-µA maximum (25°C)
    • 6-µA maximum (–40°C to 125°C)
  • VCC isolation and VCC disconnect (Ioff-float) feature
    • If either VCC supply is < 100 mV or disconnected, all I/O's get pulled-down and then become high-impedance
  • Ioff supports partial-power-down mode operation
  • Compatible with LVC family level shifters
  • Control logic (DIR) are referenced to VCCA
  • Operating temperature from –40°C to +125°C
  • Latch-up performance exceeds 100 mA per JESD 78, class II
  • ESD protection exceeds JESD 22
    • 4000-V human-body model
    • 1000-V charged-device model