SLVSA51E March   2010  – September 2016 TLC5940-EP

PRODUCTION DATA.  

  1. Features
  2. Applications
  3. Description
  4. Revision History
  5. Pin Configuration and Functions
  6. Specifications
    1. 6.1 Absolute Maximum Ratings
    2. 6.2 ESD Ratings
    3. 6.3 Recommended Operating Conditions
    4. 6.4 Thermal Information
    5. 6.5 Electrical Characteristics
    6. 6.6 Switching Characteristics
    7. 6.7 Typical Characteristics
  7. Parameter Measurement Information
    1. 7.1 Test Parameter Equations
  8. Detailed Description
    1. 8.1 Overview
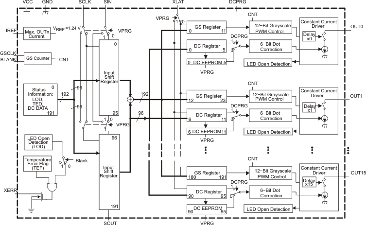
    2. 8.2 Functional Block Diagram
    3. 8.3 Feature Description
      1. 8.3.1 Serial Interface
      2. 8.3.2 Error Information Output
      3. 8.3.3 TEF: Thermal Error Flag
      4. 8.3.4 LOD: LED Open Detection
      5. 8.3.5 Delay Between Outputs
      6. 8.3.6 Output Enable
      7. 8.3.7 Setting Maximum Channel Current
    4. 8.4 Device Functional Modes
      1. 8.4.1 Operating Modes
      2. 8.4.2 Setting Dot Correction
      3. 8.4.3 Setting Grayscale
      4. 8.4.4 Status Information Output
      5. 8.4.5 Grayscale PWM Operation
  9. Application and Implementation
    1. 9.1 Application Information
    2. 9.2 Typical Application
      1. 9.2.1 Design Requirements
      2. 9.2.2 Detailed Design Procedures
        1. 9.2.2.1 Serial Data Transfer Rate
        2. 9.2.2.2 Grayscale (GS) Data
      3. 9.2.3 Application Curve
  10. 10Power Supply Recommendations
  11. 11Layout
    1. 11.1 Layout Guidelines
    2. 11.2 Layout Example
    3. 11.3 Power Dissipation Calculation
  12. 12Device and Documentation Support
    1. 12.1 Receiving Notification of Documentation Updates
    2. 12.2 Community Resources
    3. 12.3 Trademarks
    4. 12.4 Electrostatic Discharge Caution
    5. 12.5 Glossary
  13. 13Mechanical, Packaging, and Orderable Information

Package Options

Mechanical Data (Package|Pins)
Thermal pad, mechanical data (Package|Pins)
Orderable Information

1 Features

  • 16 Channels
  • 12-Bit (4096 Steps) Grayscale PWM Control
  • Dot Correction
    • 6 Bit (64 Steps)
    • Storable in Integrated EEPROM
  • Drive Capability (Constant-Current Sink) of
    0 mA to 72 mA (–40°C to 125°C)
    • 0 mA to 60 mA (VCC < 3.6 V, –40°C to 85°C)
    • 0 mA to 120 mA (VCC > 3.6 V, –40°C to 85°C)
  • LED Power Supply Voltage up to 17 V
  • VCC = 3 V to 5.5 V
  • Serial Data Interface
  • Controlled In-Rush Current
  • 30-MHz Data Transfer Rate
  • CMOS Level I/O
  • Error Information
    • LOD: LED Open Detection
    • TEF: Thermal Error Flag

2 Applications

  • Monocolor, Multicolor, Full-Color LED Displays
  • LED Signboards
  • Display Backlighting
  • General, High-Current LED Drive
  • Supports Defense, Aerospace, and Medical Applications:
    • Controlled Baseline
    • One Assembly/Test Site
    • One Fabrication Site
    • Available in Q-Temp (–40°C/125°C)
    • Extended Product Life Cycle
    • Extended Product-Change Notification
    • Product Traceability

3 Description

The TLC5940-EP is a 16-channel, constant-current sink LED driver. Each channel has an individually adjustable 4096-step grayscale PWM brightness control and a 64-step, constant-current sink (dot correction). The dot correction adjusts the brightness variations between LED channels and other LED drivers. The dot correction data is stored in an integrated EEPROM. Both grayscale control and dot correction are accessible via a serial interface. A single external resistor sets the maximum current value of all 16 channels.

The TLC5940-EP features two error information circuits. The LED open detection (LOD) indicates a broken or disconnected LED at an output terminal. The thermal error flag (TEF) indicates an overtemperature condition.

Device Information(1)

PART NUMBER PACKAGE BODY SIZE (NOM)
TLC5940-EP HTSSOP (28) 9.70 mm × 4.40 mm
VQFN (32) 5.00 mm × 5.00 mm
  1. For all available packages, see the orderable addendum at the end of the data sheet.

Simplified Schematic

TLC5940-EP fbd1_lvs515.gif

4 Revision History

Changes from D Revision (May 2010) to E Revision

  • Added ESD Ratings table, Feature Description section, Device Functional Modes, Application and Implementation section, Power Supply Recommendations section, Layout section, Device and Documentation Support section, and Mechanical, Packaging, and Orderable Information section Go
  • Deleted Ordering Information table; see POA at the end of the data sheetGo
  • Changed thermal values for RHB (VQFN) package: 33.9 to 36.7 for RθJA, 30 to 18.9 for RθJC(top), 9.3 to 15.9 for RθJB, 0.619 to 0.6 for ψJT, 9.3 to 15.8 for ψJB, and 3.9 to 2.3 for RθJC(bot)Go
  • Changed thermal values for PWP (HTSSOP) package: 35.4 to 34.3 for RθJA, 24.94 to 36.8 for RθJC(top), 15.02 to 8.5 for RθJB, 1.297 to 0.3 for ψJT, 10.96 to 8.7 for ψJB, and 5.37 to 1.6 for RθJC(bot)Go
  • Deleted Dissipation Ratings tableGo

Changes from B Revision (September 2007) to C Revision

  • Changed from ms to nsGo