SBOS754A March   2016  – March 2016 TLV2314 , TLV314 , TLV4314

PRODUCTION DATA.  

  1. Features
  2. Applications
  3. Description
  4. Revision History
  5. Device Comparison Table
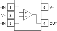
  6. Pin Configuration and Functions
  7. Specifications
    1. 7.1 Absolute Maximum Ratings
    2. 7.2 ESD Ratings
    3. 7.3 Recommended Operating Conditions
    4. 7.4 Thermal Information: TLV314
    5. 7.5 Thermal Information: TLV2314
    6. 7.6 Thermal Information: TLV4314
    7. 7.7 Electrical Characteristics
    8. 7.8 Typical Characteristics
    9. 7.9 Typical Characteristics
  8. Detailed Description
    1. 8.1 Overview
    2. 8.2 Functional Block Diagram
    3. 8.3 Feature Description
      1. 8.3.1 Operating Voltage
      2. 8.3.2 Rail-to-Rail Input
      3. 8.3.3 Rail-to-Rail Output
      4. 8.3.4 Common-Mode Rejection Ratio (CMRR)
      5. 8.3.5 Capacitive Load and Stability
      6. 8.3.6 EMI Susceptibility and Input Filtering
    4. 8.4 Device Functional Modes
  9. Application and Implementation
    1. 9.1 Application Information
    2. 9.2 Typical Application
      1. 9.2.1 Design Requirements
      2. 9.2.2 Detailed Design Procedure
      3. 9.2.3 Application Curve
    3. 9.3 System Examples
  10. 10Power Supply Recommendations
    1. 10.1 Input and ESD Protection
  11. 11Layout
    1. 11.1 Layout Guidelines
    2. 11.2 Layout Example
  12. 12Device and Documentation Support
    1. 12.1 Device Support
    2. 12.2 Documentation Support
      1. 12.2.1 Related Documentation
    3. 12.3 Related Links
    4. 12.4 Community Resources
    5. 12.5 Trademarks
    6. 12.6 Electrostatic Discharge Caution
    7. 12.7 Glossary
  13. 13Mechanical, Packaging, and Orderable Information

Package Options

Mechanical Data (Package|Pins)
Thermal pad, mechanical data (Package|Pins)
Orderable Information

1 Features

  • Low Offset Voltage: 0.75 mV (typ)
  • Low Input Bias Current: 1 pA (typ)
  • Wide Supply Range: 1.8 V to 5.5 V
  • Rail-to-Rail Input and Output
  • Gain Bandwidth: 3 MHz
  • Low IQ: 250 µA/Ch (max)
  • Low Noise: 16 nV/√Hz at 1 kHz
  • Internal RF/EMI Filter
  • Extended Temperature Range:
    –40°C to +125°C

2 Applications

  • White Goods
  • Handheld Test Equipment
  • Portable Blood Glucose Systems
  • Remote Sensing
  • Active Filters
  • Industrial Automation
  • Battery-Powered Electronics

EMIRR vs Frequency

TLV314 TLV2314 TLV4314 tc_emirr_2314_sbos754.gif

3 Description

The TLV314 family of single-, dual-, and quad-channel operational amplifiers represents a new generation of low-power, general-purpose operational amplifiers. Rail-to-rail input and output swings (RRIO), low quiescent current (150 μA typically at 5 V) combine with a wide bandwidth of 3 MHz to make this family very attractive for a variety of battery-powered applications that require a good balance between cost and performance. Additionally, the TLV314 family architecture achieves a low input bias current of 1 pA, allowing for applications with MΩ source impedances.

The robust design of the TLV314 devices provides ease-of-use to the circuit designer: unity-gain stability, RRIO, capacitive loads of up to 300 pF, an integrated RF/EMI rejection filter, no phase reversal in overdrive conditions, and high electrostatic discharge (ESD) protection (4-kV HBM).

These devices are optimized for low-voltage operation as low as 1.8 V (±0.9 V) and up to 5.5 V (±2.75 V), and are specified over the extended industrial temperature range of –40°C to +125°C.

The TLV314 (single) is available in both 5-pin SC70 and SOT-23 packages. The TLV2314 (dual) is offered in 8-pin SOIC and VSSOP packages. The quad-channel TLV4314 is offered in a 14-pin TSSOP package.

Device Information(1)

PART NUMBER PACKAGE BODY SIZE (NOM)
TLV314 SOT-23 (5) 2.90 mm × 1.60 mm
SC70 (5) 2.00 mm × 1.25 mm
TLV2314 VSSOP (8) 3.00 mm × 3.00 mm
SOIC (8) 4.90 mm × 3.91 mm
TLV4314 TSSOP (14) 5.00 mm × 4.40 mm
  1. For all available packages, see the orderable addendum at the end of the data sheet.

4 Revision History

Changes from * Revision (March 2016) to A Revision

  • Released to production Go