ZHCSAX9A March   2013  – July 2015 DRV10963

PRODUCTION DATA.  

  1. 特性
  2. 应用范围
  3. 说明
  4. 修订历史记录
  5. Pin Configuration and Functions
  6. Specifications
    1. 6.1 Absolute Maximum Ratings
    2. 6.2 ESD Ratings
    3. 6.3 Recommended Operating Conditions
    4. 6.4 Thermal Information
    5. 6.5 Electrical Characteristics
    6. 6.6 Typical Characteristics
  7. Detailed Description
    1. 7.1 Overview
    2. 7.2 Functional Block Diagram
    3. 7.3 Feature Description
      1. 7.3.1  Speed Input and Control
      2. 7.3.2  Spin up Settings
      3. 7.3.3  Motor Direction Change
      4. 7.3.4  Motor Frequency Feedback (FG)
      5. 7.3.5  Lock Detection
        1. 7.3.5.1 Lock1: Frequency Overflow
        2. 7.3.5.2 Lock2: BEMF Abnormal
        3. 7.3.5.3 Lock3: Speed Abnormal
        4. 7.3.5.4 Open Loop Stuck
      6. 7.3.6  Soft Current Limit
      7. 7.3.7  Short Circuit Current Protection
      8. 7.3.8  Anti-Voltage Surge (AVS)
        1. 7.3.8.1 Protecting Against the Return of Mechanical Energy
        2. 7.3.8.2 Protecting Against the Return of Inductive Energy
      9. 7.3.9  Control Advance Angle
      10. 7.3.10 Overtemperature Protection
      11. 7.3.11 Undervoltage Protection
      12. 7.3.12 OTP Configuration
    4. 7.4 Device Functional Modes
      1. 7.4.1 Standby Mode and Sleep Mode
  8. Application and Implementation
    1. 8.1 Application Information
    2. 8.2 Typical Application
      1. 8.2.1 Design Requirements
      2. 8.2.2 Detailed Design Procedure
      3. 8.2.3 Application Curves
  9. Power Supply Recommendations
  10. 10Layout
    1. 10.1 Layout Guidelines
    2. 10.2 Layout Example
  11. 11器件和文档支持
    1. 11.1 社区资源
    2. 11.2 商标
    3. 11.3 静电放电警告
    4. 11.4 Glossary
  12. 12机械、封装和可订购信息

封装选项

机械数据 (封装 | 引脚)
散热焊盘机械数据 (封装 | 引脚)
订购信息

1 特性

  • 专有无传感器无窗口
    180°正弦控制机制
  • 输入电压范围:2.1V 至 5.5V
  • 500mA 输出电流
  • 休眠模式下的静态电流低至 15µA(典型值)
  • 驱动器高侧和低侧 (H+L) 总导通电阻 (Rdson) 少于 1.5Ω
  • 电流限制和短路电流保护
  • 锁定检测
  • 电压浪涌保护 (AVS)
  • 欠压闭锁 (UVLO)
  • 热关断

2 应用范围

  • 笔记本 CPU 风扇
  • 游戏站 CPU 风扇
  • ASIC 冷却风扇

3 说明

DRV10963 是一款带有集成功率金属氧化物半导体场效应管 (MOSFET) 的三相无传感器电机驱动器。该器件专门针对高效、低噪声和低外部组件数的电机驱动应用而 设计。专有的无传感器无窗口 180° 正弦控制机制可提供极度安静的电机驱动性能。DRV10963 具备智能锁定检测功能,与其他内部保护电路搭配使用以确保器件安全运行。DRV10963 采用带有外露散热焊盘的高效散热型 10 引脚超小外形尺寸无引线 (USON) 封装。

器件信息

器件型号 封装 封装尺寸(标称值)
DRV10963 USON (10) 3.00mm x 3.00mm
  1. 要了解所有可用封装,请见数据表末尾的可订购产品附录。

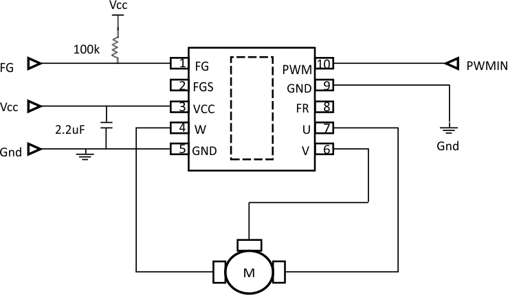
简化电路原理图

DRV10963 typ_app_cir_las955.gif