ZHCSAH5A November   2012  – November 2014 DRV11873

PRODUCTION DATA.  

  1. 特性
  2. 应用范围
  3. 说明
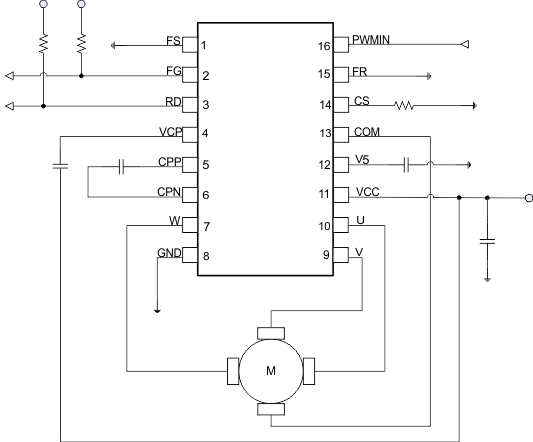
  4. 简化电路原理图
  5. 修订历史记录
  6. Pin Configuration and Functions
  7. Specifications
    1. 7.1 Absolute Maximum Ratings
    2. 7.2 Handling Ratings
    3. 7.3 Recommended Operating Conditions
    4. 7.4 Thermal Information
    5. 7.5 Electrical Characteristics
    6. 7.6 Typical Characteristics
  8. Detailed Description
    1. 8.1 Overview
    2. 8.2 Functional Block Diagram
    3. 8.3 Feature Description
      1. 8.3.1  Speed Control
      2. 8.3.2  Frequency Generator
      3. 8.3.3  FS Setting
      4. 8.3.4  Lock Protection and RD Output
      5. 8.3.5  Reverse Spin Control FR
      6. 8.3.6  5-V LDO
      7. 8.3.7  Overcurrent Protection
      8. 8.3.8  UVLO
      9. 8.3.9  Thermal Shutdown
      10. 8.3.10 Anti-Voltage Surge (AVS)
    4. 8.4 Device Functional Modes
      1. 8.4.1 Startup
      2. 8.4.2 Closed Loop Control
      3. 8.4.3 AVS Protection
  9. Application and Implementation
    1. 9.1 Application Information
    2. 9.2 Typical Application
      1. 9.2.1 Design Requirements
      2. 9.2.2 Detailed Design Procedure
      3. 9.2.3 Application Curves
  10. 10Power Supply Recommendations
  11. 11Layout
    1. 11.1 Layout Guidelines
    2. 11.2 Layout Example
  12. 12器件和文档支持
    1. 12.1 商标
    2. 12.2 静电放电警告
    3. 12.3 术语表
  13. 13机械、封装和可订购信息

封装选项

机械数据 (封装 | 引脚)
散热焊盘机械数据 (封装 | 引脚)
订购信息

特性

  • 输入电压范围:5V 至 16V
  • 六个具有 1.5V 持续输出电流的集成型金属氧化物半导体场效应晶体管 (MOSFET)
  • 总驱动器 H+L RDSON:450mΩ
  • 无传感器私有 BMEF 控制系统配置
  • 150°整流
  • 同步整流脉宽调制 (PWM) 操作
  • FG 和 RD 开漏输出
  • 适合外部使用的 5V LDO,电流高达 20mA
  • 7kHz 至 100kHz 的 PWMIN输入
  • 过电流保护,限值可通过外部电阻调节
  • 锁定检测
  • 电压浪涌保护
  • 欠压闭锁 (UVLO)
  • 热关断

应用范围

  • 电器冷却风扇
  • 台式机冷却风扇
  • 服务器冷却风扇

说明

DRV11873 是一款具有集成功率 MOSFET 的三相无传感器电机驱动器,连续驱动电流达 1.5A,峰值驱动电流高达 2A。DRV11873 专为风扇电机驱动应用 设计, 噪声低且所需的外部组件数量少。DRV11873 具有内置过电流保护,无需外部电流感测电阻。同步整流运行模式可提高电机驱动器应用 的效率。DRV11873 通过开漏输出端输出 FG 和 RD 以指示电机状态。该器件实现了适合三相电机的 150° 无传感器反电动势 (BEMF) 控制方案。DRV11873 采用高效散热型 16 引脚 TSSOP 封装。额定工作温度为 –40°C 至 125°C。

器件信息(1)

器件型号 封装 封装尺寸(标称值)
DRV11873 HTSSOP (16) 4.40mm × 5.00mm
  1. 要了解所有可用封装,请见数据表末尾的可订购产品附录。

简化电路原理图

DRV11873 sch_FAD_lws237.gif