ZHCS522H January   2006  – October 2017 LM3100

PRODUCTION DATA.  

  1. 特性
  2. 应用
  3. 说明
    1. 3.1 典型应用
  4. 修订历史记录
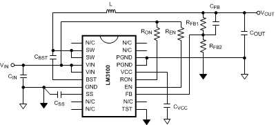
  5. Pin Configuration and Functions
  6. Specifications
    1. 6.1 Absolute Maximum Ratings
    2. 6.2 ESD Ratings
    3. 6.3 Recommended Operating Conditions
    4. 6.4 Thermal Information
    5. 6.5 Electrical Characteristics
    6. 6.6 Typical Characteristics
  7. Detailed Description
    1. 7.1 Overview
    2. 7.2 Functional Block Diagram
    3. 7.3 Feature Description
      1. 7.3.1 Hysteretic Control Circuit Overview
    4. 7.4 Device Functional Modes
      1. 7.4.1 Start-up Regulator (VCC)
      2. 7.4.2 Regulation Comparator
      3. 7.4.3 Over-Voltage Comparator
      4. 7.4.4 ON-Time Timer, Shutdown
      5. 7.4.5 Current Limit
      6. 7.4.6 N-Channel Buck Switch and Driver
      7. 7.4.7 Soft-Start
      8. 7.4.8 Thermal Protection
  8. Applications and Implementation
    1. 8.1 Applications Information
      1. 8.1.1 External Components
        1. 8.1.1.1 RFB1 and RFB2
        2. 8.1.1.2 RON
        3. 8.1.1.3 L
        4. 8.1.1.4 CVCC
        5. 8.1.1.5 CO and CO3
        6. 8.1.1.6 CIN and CIN3
        7. 8.1.1.7 CBST
        8. 8.1.1.8 CSS
        9. 8.1.1.9 CFB
    2. 8.2 Typical Application
  9. Layout
    1. 9.1 Layout Guidelines
      1. 9.1.1 PC Board Layout
  10. 10器件和文档支持
    1. 10.1 接收文档更新通知
    2. 10.2 社区资源
    3. 10.3 商标
    4. 10.4 静电放电警告
    5. 10.5 Glossary
  11. 11机械、封装和可订购信息

封装选项

机械数据 (封装 | 引脚)
散热焊盘机械数据 (封装 | 引脚)
订购信息

特性

  • 输入电压范围:4.5V 至 36V
  • 1.5A 输出电流
  • 0.8V,±1.5% 基准
  • 集成 40V 双 N 通道同步开关
  • 组件数量少,解决方案尺寸小
  • 无需环路补偿
  • 超快瞬态响应
  • 可在使用陶瓷电容和其他低 ESR 电容器时保持稳定
  • 可编程开关频率高达 1MHz
  • 启动时最大占空比受限
  • 谷值电流限值
  • 精密内部基准,可调节输出电压低至 0.8V
  • 热关断
  • 耐热增强型带散热片薄型小外形尺寸封装 (HTSSOP)-20 封装

应用

  • 5VDC、12VDC、24VDC、12VAC 和 24VAC 系统
  • 嵌入式系统
  • 工业控制
  • 汽车远程信息处理和车身电子装置
  • 负载点稳压器
  • 存储系统
  • 宽带基础设施
  • 直接对 2/3/4 节锂电池系统进行降压转换

说明

LM3100 同步整流降压转换器 采用了 可实现高效经济的降压稳压器所需的全部功能,能够为负载提供 1.5A 电流和低至 0.8V 的电压。双 40V N 通道同步 MOSFET 开关使用的外部组件较少,从而降低了复杂性,最大程度减少了布板空间。LM3100 专为与陶瓷及其他极低的 ESR 输出电容器出色配合而设计。恒定导通时间 (COT) 调节机制无需环路补偿,从而实现快速负载瞬态响应,并简化电路实现。与其他大多数 COT 稳压器不同,此款稳压器采用独特的设计,无需依赖 ESR 输出电容器也可实现稳定性。由于输入电压和导通时间之间的反比关系,线路和负载变化时,运行频率几乎保持恒定。通过外部编程,运行频率可高达 1MHz。保护功能 采用了 VCC 欠压锁定、热关断和栅极驱动欠压锁定。此器件采用热增强型 HTSSOP-20 封装

器件信息

器件型号 封装 封装尺寸(标称值)
LM3100 HTSSOP (20) 6.50mm x 4.40mm
  1. 如需了解所有可用封装,请参阅数据表末尾的可订购产品附录。

典型应用

LM3100 20174702.gif