JAJSCT0 December   2016 TPS63027

PRODUCTION DATA.  

  1. 特長
  2. アプリケーション
  3. 概要
  4. 標準アプリケーション
  5. 改訂履歴
  6. Device Comparison Table
  7. Pin Configuration and Functions
  8. Specifications
    1. 8.1 Absolute Maximum Ratings
    2. 8.2 ESD Ratings
    3. 8.3 Recommended Operating Conditions
    4. 8.4 Thermal Information
    5. 8.5 Electrical Characteristics
    6. 8.6 Timing Requirements
    7. 8.7 Typical Characteristics
  9. Detailed Description
    1. 9.1 Overview
    2. 9.2 Functional Block Diagram
    3. 9.3 Feature Description
      1. 9.3.1 Undervoltage Lockout (UVLO)
      2. 9.3.2 Output Discharge Function
      3. 9.3.3 Thermal Shutdown
      4. 9.3.4 Softstart
      5. 9.3.5 Short Circuit Protection
    4. 9.4 Device Functional Modes
      1. 9.4.1 Control Loop Description
      2. 9.4.2 Power Save Mode Operation
      3. 9.4.3 Current Limit
      4. 9.4.4 Supply and Ground
      5. 9.4.5 Device Enable
  10. 10Application and Implementation
    1. 10.1 Application Information
    2. 10.2 Typical Applications
      1. 10.2.1 Design Requirements
      2. 10.2.2 Detailed Design Procedure
        1. 10.2.2.1 Output Filter Design
        2. 10.2.2.2 Inductor Selection
        3. 10.2.2.3 Capacitor Selection
          1. 10.2.2.3.1 Input Capacitor
          2. 10.2.2.3.2 Output Capacitor
        4. 10.2.2.4 Setting The Output Voltage
      3. 10.2.3 Application Curves
  11. 11Power Supply Recommendations
  12. 12Layout
    1. 12.1 Layout Guidelines
    2. 12.2 Layout Example
  13. 13デバイスおよびドキュメントのサポート
    1. 13.1 デバイス・サポート
      1. 13.1.1 デベロッパー・ネットワークの製品に関する免責事項
    2. 13.2 ドキュメントのサポート
      1. 13.2.1 関連資料
    3. 13.3 ドキュメントの更新通知を受け取る方法
    4. 13.4 コミュニティ・リソース
    5. 13.5 商標
    6. 13.6 静電気放電に関する注意事項
    7. 13.7 用語集
  14. 14メカニカル、パッケージ、および注文情報

パッケージ・オプション

メカニカル・データ(パッケージ|ピン)
サーマルパッド・メカニカル・データ
発注情報

特長

  • 真の降圧または昇圧動作で、降圧と昇圧の動作を自動的かつシームレスに切り替え
  • 入力電圧範囲: 2.3V~5.5V
  • 出力電圧範囲: 1.0V~5.5V
  • 2Aの連続出力電流: VIN ≥ 2.5 V、VOUT = 3.5V
  • 最大効率96%
  • 標準スイッチング周波数2.5MHz
  • 動作中の静止電流35μA
  • ソフトスタート内蔵
  • パワーセーブ・モード
  • 真のシャットダウン機能
  • 出力コンデンサの放電機能
  • 過熱保護および過電流保護
  • 広範な容量選択
  • 小型2.1mm×2.1mmの25ピンWCSP

アプリケーション

  • 携帯電話、スマートフォン
  • タブレットPC
  • PCおよびスマートフォンのアクセサリ
  • ポイント・オブ・ロード・レギュレーション
  • バッテリ駆動のアプリケーション

概要

TPS63027は高効率で静止電流の低い昇降圧型コンバータで、入力電圧が出力電圧よりも高い、または低いアプリケーションに適しています。出力電流は、昇圧モードで最大2A、降圧モードで最大4Aです。スイッチ内の最大平均電流は、標準値4.5Aに制限されます。TPS63027は入力電圧に応じて降圧モードと昇圧モードを自動的に切り替え、入力電圧範囲の全体にわたって出力電圧をレギュレートし、モード間のシームレスな移行を保証します。この昇降圧型コンバータは、固定周波数のパルス幅変調(PWM)コントローラを基礎とし、同期整流を使用して最大の効率を実現しています。負荷電流が低い時にはコンバータがパワー・セーブ・モードに移行し、負荷電流範囲の全体にわたって高効率を維持します。PFM/PWMピンを使用して、自動PFM/PWMモードの動作と、強制PWM動作を選択できます。PWMモードでは、通常2.5MHzの固定周波数が使用されます。出力電圧は外付けの分割抵抗を使用してプログラム可能ですが、チップ内部で固定にもできます。コンバータをディセーブルして、バッテリの消耗を最小限に抑えることができます。シャットダウン時には、バッテリーから負荷が切断されます。このデバイスは、2.1mm×2.1mmの25ピンWCSPパッケージに搭載されています。

製品情報(1)

型番 パッケージ 本体サイズ(公称)
TPS63027 DSBGA (25) 2.1mm×2.1mm
  1. 利用可能なすべてのパッケージについては、このデータシートの末尾にある注文情報を参照してください。

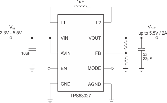
標準アプリケーション

sp

TPS63027 TPS63027_1stpage_App.gif

効率と出力電流との関係

TPS63027 TPS63027_Eff_3v5.gif