SBAA409A November   2019  – September 2024 ADS1018 , ADS1018-Q1 , ADS1118 , ADS1118-Q1

 

  1.   1
  2.   2
  3.   Trademarks
Analog Engineer's Circuit

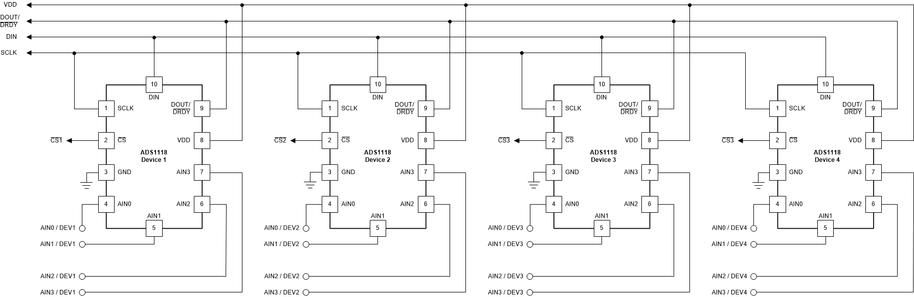
Precision Measurement Circuit With 8 Differential Channels and SPI