SPRACY3 June   2021 F29H850TU , F29H859TU-Q1 , F29P329SM-Q1 , TMS320F280023C , TMS320F280025C , TMS320F280025C-Q1 , TMS320F280040C-Q1 , TMS320F280041C , TMS320F280041C-Q1 , TMS320F280048C-Q1 , TMS320F280049C , TMS320F280049C-Q1 , TMS320F28076 , TMS320F28379D , TMS320F28379D-Q1 , TMS320F28379S , TMS320F28386D , TMS320F28386D-Q1 , TMS320F28386S , TMS320F28386S-Q1 , TMS320F28388D , TMS320F28388S , TMS320F28P650DH , TMS320F28P650DK , TMS320F28P650SH , TMS320F28P650SK , TMS320F28P659DH-Q1 , TMS320F28P659DK-Q1 , TMS320F28P659SH-Q1

 

  1.   Trademarks
  2. 1Introduction
  3. 2Design Overview
  4. 3CLB Implementation
    1. 3.1 CLB Input Selection
    2. 3.2 Counter and FSM Configuration
    3. 3.3 CLB Output
    4. 3.4 Completed Design
  5. 4Normal Operation With CBC Protection Configuration
    1. 4.1 CBC Protection Configuration
    2. 4.2 Swapping EPWM Configurations During Zero Cross Point
  6. 5Other Considerations
    1. 5.1 Trip Sourced From CMPSS
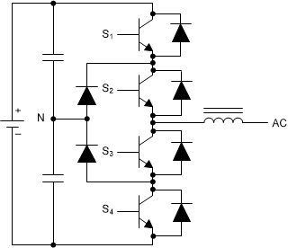
    2. 5.2 Extend to 3 Phase Inverter
      1. 5.2.1 Input Selection
      2. 5.2.2 Output Selection
    3. 5.3 Achieve 2 Level Protection Scheme
  7. 6Test Results
  8. 7References

Trademarks

C2000 is a trademark of Texas Instruments Incorporated.

All trademarks are the property of their respective owners.