SSZT282 july   2020 BQ21061 , BQ24040 , BQ2970 , BQ2971 , BQ2972 , BQ2973 , DRV10964 , MSP430FR2110 , MSP430FR2111 , TPS61023 , TPS7A02 , TPS7A03

 

  1.   1
  2.   2
    1.     3
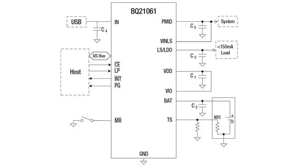
    2.     Lithium-ion battery-charging solution
    3.     Battery protection scheme
    4.     BLDC fan motor drive
    5.     MCU main control scheme
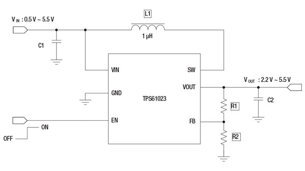
    6.     Power-rail scheme
Technical Article

Accelerate Your Electric Mask Design