SSZT489 April   2019 TPS50601A-SP , TPS7A4501-SP , TPS7H1101A-SP , TPS7H2201-SP , TPS7H2211-SP

 

  1.   1
  2.   2
    1.     3
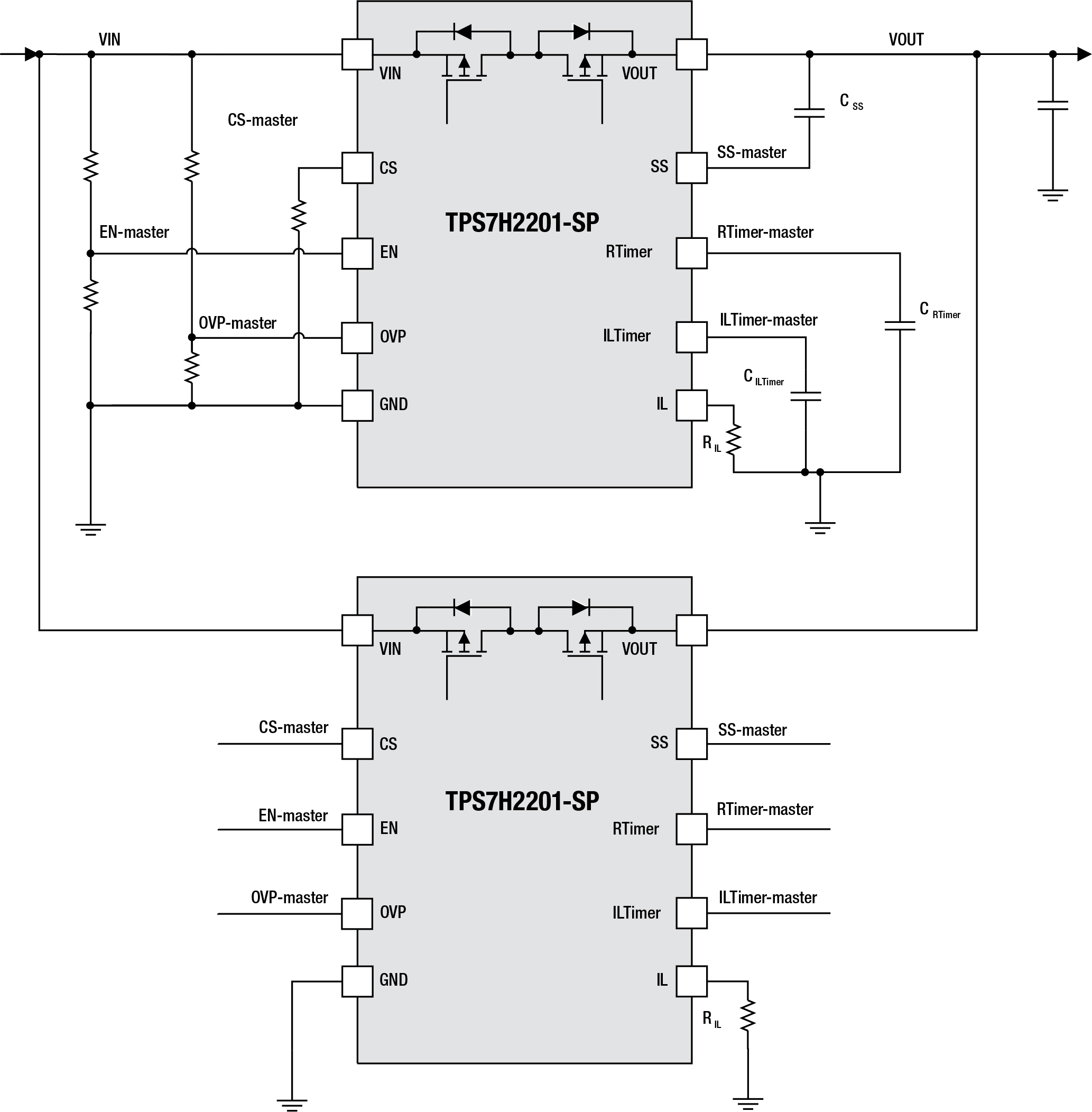
    2.     With Integration Comes Reduced Complexity
    3.     Conclusion
    4.     Additional Resources
Technical Article

When Failure Isn’t an Option: Power up Your Next Satellite with Integrated Functionality and Protection