SSZTAL6 november   2016 TPD1E01B04 , TPD6S300 , TPD8S300 , TUSB1046-DCI , TUSB546-DCI

 

  1.   1
  2.   2
    1.     3
    2.     ESD Protection
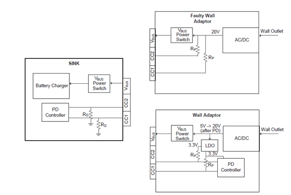
    3.     Overvoltage Protection
    4.     Additional Resources
Technical Article

USB Type-C™: Will Your ESD Solution Protect the Port?